- Pays
- Etats-Unis
- Fabricant / Marque
- Electric Auto-Lite Company, The, (Autolite); Toledo, OH
- Année
- 1932 ?
- Catégorie
- Autoradio, ev. avec cassette
- Radiomuseum.org ID
- 38044
Cliquez sur la vignette du schéma pour le demander en tant que document gratuit.
- No. de tubes
- 7
- Principe général
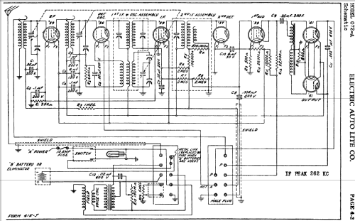
- Super hétérodyne avec étage HF; FI/IF 262 kHz; Tube à grille écran 1926-1935.
- Circuits accordés
- 6 Circuits MA (AM)
- Gammes d'ondes
- PO uniquement
- Tension / type courant
- Piles (rechargeables ou/et sèches) / 6 & 180 Volt
- Haut-parleur
- HP dynamique à électro-aimant (électrodynamique)
- De Radiomuseum.org
- Modèle: 072-A - Electric Auto-Lite Company,
- Remarques
- Battery or Eliminator for +B; push-pull af output stage.
- Source extérieure
- Ernst Erb
- Source du schéma
- Rider's Perpetual, Volume 4 = ca. 1934 and before
- D'autres Modèles
-
Vous pourrez trouver sous ce lien 5 modèles d'appareils, 1 avec des images et 3 avec des schémas.
Tous les appareils de Electric Auto-Lite Company, The, (Autolite); Toledo, OH