- Country
- Great Britain (UK)
- Manufacturer / Brand
- Elizabethan (brand), E.A.P. (Tape Recorders) Ltd., Elizabethan (Tape Recorders) Ltd., Elizabethan Electronics Ltd.; Essex
- Year
- 1962 ?
- Category
- Sound/Video Recorder and/or Player
- Radiomuseum.org ID
- 167571
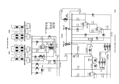
Click on the schematic thumbnail to request the schematic as a free document.
- Number of Tubes
- 4
- Main principle
- Audio-Amplification
- Wave bands
- - without
- Details
- Tape Recorder
- Power type and voltage
- Alternating Current supply (AC) / 200-250 Volt
- from Radiomuseum.org
- Model: TT3 - Elizabethan brand, E.A.P. Tape
- Notes
- 3 speed dual track tape recorder fitted with Collaro "Studio" tape deck.
- Source of data
- -- Schematic
- Literature/Schematics (1)
- Radio And Television Servicing books (R&TVS)
- Author
- Model page created by Keith Staines. See "Data change" for further contributors.
- Other Models
- 
        Here you find 37 models, 26 with images and 25 with schematics for wireless sets etc. In French: TSF for Télégraphie sans fil. 
 All listed radios etc. from Elizabethan (brand), E.A.P. (Tape Recorders) Ltd., Elizabethan (Tape Recorders) Ltd., Elizabethan Electronics Ltd.; Essex
 
                
                
                
                
                
                
                
                
               