Julia Stereo
Unitra-Rzeszów, Rzeszow
- Land
- Polen
- Hersteller / Marke
- Unitra-Rzeszów, Rzeszow
- Jahr
- 1979
- Kategorie
- Rundfunkempfänger (Radio - oder Tuner nach WW2)
- Radiomuseum.org ID
- 108661
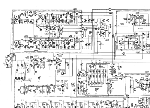
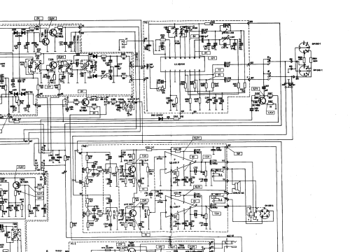
Klicken Sie auf den Schaltplanausschnitt, um diesen kostenlos als Dokument anzufordern.
- Anzahl Transistoren
- 28
- Halbleiter
- BF195 BF241 BF194 BC148 BC158 BC337 BD135 BD335 BB104 BB105 BAP811 BAP812 BYP401 AAP153 UL1550 UL1211 UL1611 UL1481
- Hauptprinzip
- Superhet allgemein; ZF/IF 465/ 10700 kHz
- Wellenbereiche
- Langwelle, Mittelwelle, mehrere Kurzwellenbänder plus UKW (FM).
- Betriebsart / Volt
- Netz- / Batteriespeisung / 220 / 8 × 1,5 Volt
- Lautsprecher
- Dynamischer LS, keine Erregerspule (permanentdynamisch)
- Belastbarkeit / Leistung
- 3 W (sinus/unverzerrt)
- Material
- Plastikgehäuse (nicht Bakelit), Thermoplast
- von Radiomuseum.org
- Modell: Julia Stereo - Unitra-Rzeszów, Rzeszow
- Form
- Reisegerät > 20 cm (netzunabhängig betreibbar)
- Abmessungen (BHT)
- 415 x 250 x 115 mm / 16.3 x 9.8 x 4.5 inch
- Bemerkung
-
Der Empfänger Julia Stereo hat 7x KW und UKW nach OIRT (65,5 - 73 MHz) und nach CCIR (88 - 108 MHz. Er enthält 28 Transistoren und 5 ICs. Die Ausgangsleistung beträgt 2x 1,5 Watt bei Batteriebetrieb, oder 2x 2,5 Watt bei Netzbetrieb.
Halbleiterliste: nur einmal je Typ.
- Nettogewicht
- 7 kg / 15 lb 6.7 oz (15.419 lb)
- Datenherkunft
- -- Collector info (Sammler)
- Autor
- Modellseite von Franz Scharner angelegt. Siehe bei "Änderungsvorschlag" für weitere Mitarbeit.
- Weitere Modelle
-
Hier finden Sie 18 Modelle, davon 16 mit Bildern und 13 mit Schaltbildern.
Alle gelisteten Radios usw. von Unitra-Rzeszów, Rzeszow
Sammlungen
Das Modell Julia Stereo befindet sich in den Sammlungen folgender Mitglieder.
Forumsbeiträge zum Modell: Unitra-Rzeszów,: Julia Stereo
Threads: 1 | Posts: 1
Die Untra Julia wurde als Stereoversion fast ausschließlich auf dem polnischen Inlandsmarkt verkauft. Sie bietet zwei Empfangsteile über zwei getrennte FM Tuner umschaltbar zwischen dem OIRT Band und dem CCIR Band hier aber nur der Bereich zwischen 88 und 100 !! Mhz.
Und hier liegt auch eine der gröberen Problematiken dieses Gerätes :
Fast alle auf dem polnischen Mark erhältlichen Geräte wurden nachträglich im CCIR Tuner verstimmt, die Polen nennen das "tuned", das heißt es wurde nach Anleitungen und Mundpropaganda versucht im FM Tuner den Empfangsbeicht bis 108 MHZ zu erweitern. Dies funktioniert offensichtlich bei sorgfältigem Abgleich ohne Schaltungsänderungen. Leider sind die meisten Geräte auf diese Art grausam verstimmt worden, man erkennt dies am müden UKW Empfang und verziehen beim Zuschalten der AFC.
Wer ein unverbasteltes Gerät erwischt erkennt dies neben den versiegelten Tunerspulen unter anderem daran dass das Chassis nicht zu demontiern ist.
Achtung !! Es liegt daran, das der Lautsprecher sehr massiv mit der Frontplatte verklebt und mit dem Chassis verschraubt wurde.
In diesem Fall müssen sie die zwei Endstücke der Skalenreiter nach oben und unten abziehen, die darunter liegenden Schrauben lösen, die Schiene und die Plexiglasskala nach vorne abnehmen, hinten alle Chassisschrauben (meist rot markiert) lösen und dann mit einem Kunststoffspachtel durch den Spalt zwischen Skala und Lautsprecherabdeckung die Kleberschicht zerschneiden. Wenn sie das nicht tun reissen sie die Lautsprechermembran heraus !! Der Lautsprecher ist aber auch intakt nicht so toll, es fehlt vor allem Volumen im Tieftonbereich.Möglicherweise passt aber ein Euronormchassis genau dort rein.
Highlight : Das Gerät ist ein modular mit Steckbausteinen aufgebauter Doppelsuper. Oft ist die Steckplatine mit der Bezeichnung PPW1 defekt (Filter ?)
Nachteil : Die Julia hat keinen Eingang für Verstärkerbetrieb, dieser ist mit dem zweiten Tuner beschaltet. Es gibt einen Aussenantenneneingang nur für UKW.
Ich habe bei einem meiner Geräte eine Brutalumrüstung auf West UKW vorgenommen indem ich die Skala und das komplette UKW Empfangsteil von einem TRAMP WE100 (war das Mono-Exportmodell) eingebaut habe. Diese Methode hat wunderbar funktioniert.
So, dies erstmal zu Julia, die auch beim polnischen Arbeiteraufstand eine Rolle spielte.. Doch davon vielleicht später..
Wer gut polnisch-englisch oder gar Deutsch übersetzen kann, bitte um Meldung !
Liebe Grüße an alle Radioleute !
Michael Gasperschitz, 15.Mar.13