HQ-Stereo-UKW Prüfgenerator SUP 2
ELV Elektronik AG; Leer (Ostfriesland)
- Country
- Germany
- Manufacturer / Brand
- ELV Elektronik AG; Leer (Ostfriesland)
- Year
- 2010
- Category
- Kit (Parts plus instruction) or building instructions only
- Radiomuseum.org ID
- 234922
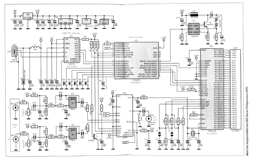
Click on the schematic thumbnail to request the schematic as a free document.
- Number of Transistors
- Semiconductors present.
- Semiconductors
- Main principle
- Transmitter
- Wave bands
- FM Broadcast Band Only
- Power type and voltage
- Powered by external power supply or a main unit. / 5 Volt
- Material
- Plastics (no bakelite or catalin)
- from Radiomuseum.org
- Model: HQ-Stereo-UKW Prüfgenerator SUP 2 - ELV Elektronik AG; Leer
- Shape
- Very small Portable or Pocket-Set (Handheld) < 8 inch.
- Dimensions (WHD)
- 57 x 23.5 x 141.5 mm / 2.2 x 0.9 x 5.6 inch
- Notes
-
Durch Einsatz DSP-Chips kann ein qualitativ hochwertiges FM-Signal im Bereich von 87,5 MHz bis 108 MHz erzeugt werden. Zusätzlich generiert der Generator individuell konfigurierbare RDS-Signale. Die Bedienung erfolgt manuell am Gerät oder über eine USB-Schnittstelle. Über eine Zusatzoption kann der SUP2 digitale Audio-Signale verarbeiten.
- Net weight (2.2 lb = 1 kg)
- 0.2 kg / 0 lb 7 oz (0.441 lb)
- Price in first year of sale
- 39.95 €
- Author
- Model page created by Werner Ehehalt. See "Data change" for further contributors.
- Other Models
-
Here you find 82 models, 76 with images and 32 with schematics for wireless sets etc. In French: TSF for Télégraphie sans fil.
All listed radios etc. from ELV Elektronik AG; Leer (Ostfriesland)
Collections
The model HQ-Stereo-UKW Prüfgenerator is part of the collections of the following members.