1172 120259-P
Emerson Radio & Phonograph Corp.; New York, NY
- Country
- United States of America (USA)
- Manufacturer / Brand
- Emerson Radio & Phonograph Corp.; New York, NY
- Year
- 1955 ?
- Category
- Television Receiver (TV) or Monitor
- Radiomuseum.org ID
- 303339
-
- alternative name: Emerson Television
Click on the schematic thumbnail to request the schematic as a free document.
- Main principle
- Superhet with RF-stage
- Wave bands
- Wave Bands given in the notes.
- Power type and voltage
- Alternating Current supply (AC) / 60 cycles, 117V = 110 -120 Volt
- from Radiomuseum.org
- Model: 1172 120259-P - Emerson Radio & Phonograph
- Notes
-
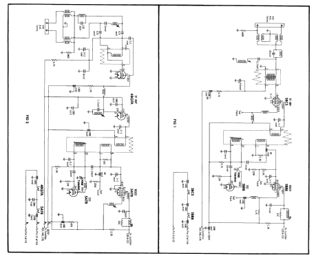
Emerson model 1172 is a 21" b/w TV with US standard VHF tuner channels 2 thru 13. Equipped with chassis 120259-P, VHF tuner 470824 and picture tube 21AUP4A.
- Literature/Schematics (1)
- Photofact Folder, Howard W. SAMS (Set 322 Folder 1 dated 7-56)
- Author
- Model page created by Dirk Taekels. See "Data change" for further contributors.
- Other Models
-
Here you find 2101 models, 1158 with images and 1659 with schematics for wireless sets etc. In French: TSF for Télégraphie sans fil.
All listed radios etc. from Emerson Radio & Phonograph Corp.; New York, NY