2065 Ch= 120359R
Emerson Radio & Phonograph Corp.; New York, NY
- Land
- USA
- Hersteller / Marke
- Emerson Radio & Phonograph Corp.; New York, NY
- Jahr
- 1958 ?
- Kategorie
- Fernseh-Empfänger/Monitor
- Radiomuseum.org ID
- 320699
-
- anderer Name: Emerson Television
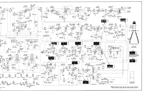
Klicken Sie auf den Schaltplanausschnitt, um diesen kostenlos als Dokument anzufordern.
- Anzahl Röhren
- 18
- Röhren
- 2AF4A 3BC5 5AT8 3CB6 5AM8 12BY7A 5U8 5T8 12C5 or 12CU5 6CG7 12W6GT 6CG7 25DN6 or 25CD6GA 12AX4GTA or 12D4 1B3GT 3BE6 3BA6 14RP4 or 17AVP4A
- Hauptprinzip
- Super mit HF-Vorstufe
- Wellenbereiche
- Wellen in den Bemerkungen.
- Betriebsart / Volt
- Wechselstromspeisung / 60 Hz, 117V = 110 -120 Volt
- Lautsprecher
- 2 Lautsprecher
- Material
- Metallausführung
- von Radiomuseum.org
- Modell: 2065 Ch= 120359R - Emerson Radio & Phonograph
- Form
- Tischmodell, Zusatz nicht bekannt - allgemein.
- Bemerkung
-
Emerson model 2065 is a 17" b/w TV with US standard VHF tuner channels 2 thru 13. Equipped with chassis 120359-R , VHF-UHF tuner 470987 and picture tube 14RP4A or 17AVP4A.Selenium rectifier.
- Literatur/Schema (1)
- Photofact Folder, Howard W. SAMS (Set 387 Folder 1 dated 2-58)
- Autor
- Modellseite von Dirk Taekels angelegt. Siehe bei "Änderungsvorschlag" für weitere Mitarbeit.
- Weitere Modelle
-
Hier finden Sie 2099 Modelle, davon 1153 mit Bildern und 1657 mit Schaltbildern.
Alle gelisteten Radios usw. von Emerson Radio & Phonograph Corp.; New York, NY