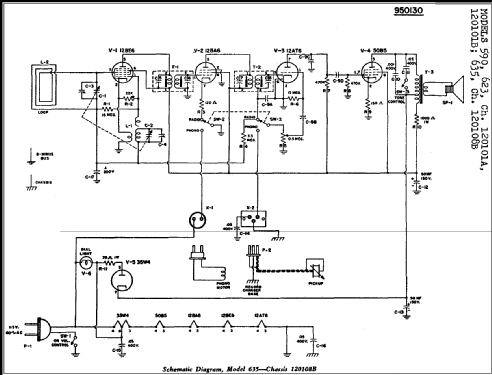
635 Ch= 120108B
Emerson Radio & Phonograph Corp.; New York, NY
- Country
- United States of America (USA)
- Manufacturer / Brand
- Emerson Radio & Phonograph Corp.; New York, NY
- Year
- 1949/1950
- Category
- Broadcast Receiver - or past WW2 Tuner
- Radiomuseum.org ID
- 38647
-
- alternative name: Emerson Television
Click on the schematic thumbnail to request the schematic as a free document.
- Number of Tubes
- 5
- Main principle
- Superheterodyne (common); ZF/IF 455 kHz; 2 AF stage(s)
- Tuned circuits
- 6 AM circuit(s)
- Wave bands
- Broadcast only (MW).
- Details
- Changer (Record changer)
- Power type and voltage
- Alternating Current supply (AC) / 105 - 125 Volt
- Loudspeaker
- Permanent Magnet Dynamic (PDyn) Loudspeaker (moving coil) / Ø 5 inch = 12.7 cm
- Material
- Bakelite case
- from Radiomuseum.org
- Model: 635 Ch= 120108B - Emerson Radio & Phonograph
- Shape
- Tablemodel, Box - most often with Lid (NOT slant panel).
- Notes
-
BC (540-1620kHz) band. Built-in loop antenna. In Walnut bakelite.
- Price in first year of sale
- 49.95 $
- External source of data
- Ernst Erb
- Source of data
- Collector's Guide to Antique Radios (6th edition)
- Circuit diagram reference
- Rider's Perpetual, Volume 20 covering 1950
- Literature/Schematics (1)
- Photofact Folder, Howard W. SAMS (Set 92 Folder 1 Date 4-50)
- Literature/Schematics (3)
- Emerson Folder Form. No. 50-628 for "New 1950".
- Other Models
-
Here you find 2101 models, 1158 with images and 1659 with schematics for wireless sets etc. In French: TSF for Télégraphie sans fil.
All listed radios etc. from Emerson Radio & Phonograph Corp.; New York, NY