654F Ch= 120138-B
Emerson Radio & Phonograph Corp.; New York, NY
- Country
- United States of America (USA)
- Manufacturer / Brand
- Emerson Radio & Phonograph Corp.; New York, NY
- Year
- 1951 ?
- Category
- Television Receiver (TV) or Monitor
- Radiomuseum.org ID
- 347648
-
- alternative name: Emerson Television
Click on the schematic thumbnail to request the schematic as a free document.
- Number of Tubes
- 15
- Valves / Tubes
- 6AU6 6AU6 6AU6 6AU6 6AU6 6S8GT 25L6GT 12AT7 12AU7 12BH7 12SN7GT 19BG6G 1X2 25W4GT 12LP4
- Main principle
- Superhet with RF-stage
- Wave bands
- Wave Bands given in the notes.
- Power type and voltage
- Alternating Current supply (AC) / 60 Hz, 117V = 110 -120 Volt
- Loudspeaker
- Electro Magnetic Dynamic LS (moving-coil with field excitation coil)
- from Radiomuseum.org
- Model: 654F Ch= 120138-B - Emerson Radio & Phonograph
- Notes
-
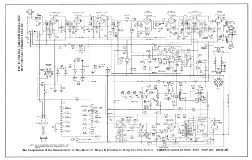
Emerson model 654F is a 12” b/w TV with US standard VHF tuner channels 2 thru 13.
Equipped with chassis 120138-B, a VHF tuner whose tubes are not specified and picture tube 12LP4.
- Literature/Schematics (1)
- Photofact Folder, Howard W. SAMS (Set 133, folder 1A, dated 51)
- Author
- Model page created by Dirk Taekels. See "Data change" for further contributors.
- Other Models
-
Here you find 2101 models, 1158 with images and 1659 with schematics for wireless sets etc. In French: TSF for Télégraphie sans fil.
All listed radios etc. from Emerson Radio & Phonograph Corp.; New York, NY