682 Series A
Emerson Radio & Phonograph Corp.; New York, NY
- País
- Estados Unidos
- Fabricante / Marca
- Emerson Radio & Phonograph Corp.; New York, NY
- Año
- 1951 ??
- Categoría
- Radio - o Sintonizador pasado WW2
- Radiomuseum.org ID
- 306034
-
- alternative name: Emerson Television
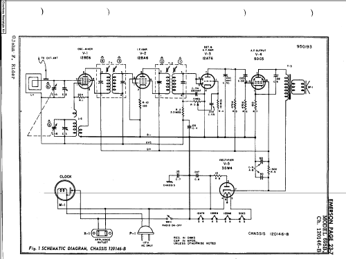
Haga clic en la miniatura esquemática para solicitarlo como documento gratuito.
- Numero de valvulas
- 5
- Principio principal
- Superheterodino en general
- Gama de ondas
- OM (onda media) solamente
- Tensión de funcionamiento
- Red: Corriente alterna (CA, Inglés = AC) / 60Hz, 115V=110-120 Volt
- Altavoz
- Altavoz dinámico (de imán permanente)
- Material
- Madera
- de Radiomuseum.org
- Modelo: 682 Series A - Emerson Radio & Phonograph
- Forma
- Sobremesa con reloj o Radio despertador.
- Anotaciones
-
Portable bar radio with clock.
Chassis may be similar to Emerson 695B.
- Autor
- Modelo creado por Jay Kinnard. Ver en "Modificar Ficha" los participantes posteriores.
- Otros modelos
-
Donde encontrará 2101 modelos, 1158 con imágenes y 1659 con esquemas.
Ir al listado general de Emerson Radio & Phonograph Corp.; New York, NY