705B Ch= 120155-B
Emerson Radio & Phonograph Corp.; New York, NY
- Country
- United States of America (USA)
- Manufacturer / Brand
- Emerson Radio & Phonograph Corp.; New York, NY
- Year
- 1953 ?
- Category
- Broadcast Receiver - or past WW2 Tuner
- Radiomuseum.org ID
- 88237
-
- alternative name: Emerson Television
Click on the schematic thumbnail to request the schematic as a free document.
- Number of Tubes
- 4
- Main principle
- Superheterodyne (common); ZF/IF 455 kHz; 2 AF stage(s)
- Tuned circuits
- 6 AM circuit(s)
- Wave bands
- Broadcast only (MW).
- Power type and voltage
- Line / Batteries (any type) / AC/DC 117V=115-120 / 67.5 & 1.5 Volt
- Loudspeaker
- Permanent Magnet Dynamic (PDyn) Loudspeaker (moving coil) / Ø 3.5 inch = 8.9 cm
- Material
- Plastics (no bakelite or catalin)
- from Radiomuseum.org
- Model: 705B Ch= 120155-B - Emerson Radio & Phonograph
- Shape
- Portable set > 8 inch (also usable without mains)
- Notes
-
Emerson model 705B is a three power portable AM superheterodyne receiver. Enclosed ferriloop antenna. Selenium Rectifier
- Source of data
- Collector's Guide to Antique Radios (6th edition)
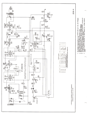
- Circuit diagram reference
- Beitman Radio Diagrams Vol. 13, 1953
- Mentioned in
- Machine Age to Jet Age II
- Literature/Schematics (1)
- Photofact Folder, Howard W. SAMS (Date 7-53, Set 208, Folder 4)
- Author
- Model page created by Walter Wiesmüller † May 2012. See "Data change" for further contributors.
- Other Models
-
Here you find 2101 models, 1158 with images and 1659 with schematics for wireless sets etc. In French: TSF for Télégraphie sans fil.
All listed radios etc. from Emerson Radio & Phonograph Corp.; New York, NY