971 Ch= 120455B
Emerson Radio & Phonograph Corp.; New York, NY
- Country
- United States of America (USA)
- Manufacturer / Brand
- Emerson Radio & Phonograph Corp.; New York, NY
- Year
- 1959
- Category
- Broadcast Receiver - or past WW2 Tuner
- Radiomuseum.org ID
- 70462
-
- alternative name: Emerson Television
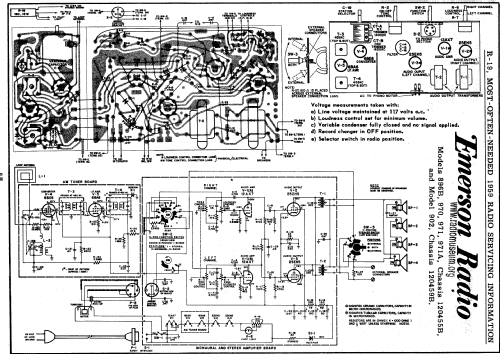
Click on the schematic thumbnail to request the schematic as a free document.
- Number of Tubes
- 5
- Main principle
- Superheterodyne (common); ZF/IF 455 kHz
- Tuned circuits
- 6 AM circuit(s)
- Wave bands
- Broadcast only (MW).
- Details
- Record Player (perh.Changer)
- Power type and voltage
- Alternating Current supply (AC) / 115 Volt
- Loudspeaker
- Permanent Magnet Dynamic (PDyn) Loudspeaker (moving coil)
- from Radiomuseum.org
- Model: 971 Ch= 120455B - Emerson Radio & Phonograph
- Notes
- 4 speakers. Selenium rectifier. Built in loop antenna.
- Source of data
- Beitman Radio Diagrams, Vol. 19, 1959
- Author
- Model page created by Hinrich Grensemann † 15.5.16. See "Data change" for further contributors.
- Other Models
-
Here you find 2101 models, 1158 with images and 1659 with schematics for wireless sets etc. In French: TSF for Télégraphie sans fil.
All listed radios etc. from Emerson Radio & Phonograph Corp.; New York, NY