AT172 Ch= AT no push-pull
Emerson Radio & Phonograph Corp.; New York, NY
- Country
- United States of America (USA)
- Manufacturer / Brand
- Emerson Radio & Phonograph Corp.; New York, NY
- Year
- 1938 ??
- Category
- Broadcast Receiver - or past WW2 Tuner
- Radiomuseum.org ID
- 18557
-
- alternative name: Emerson Television
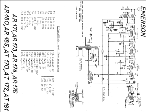
Click on the schematic thumbnail to request the schematic as a free document.
- Number of Tubes
- 6
- Main principle
- Superheterodyne (common); ZF/IF 456 kHz; 2 AF stage(s)
- Tuned circuits
- 6 AM circuit(s)
- Wave bands
- Broadcast and Short Wave (SW).
- Power type and voltage
- Alternating Current supply (AC) / 105-125 Volt
- Loudspeaker
- Electro Magnetic Dynamic LS (moving-coil with field excitation coil) / Ø 6.5 inch = 16.5 cm
- Material
- Wooden case
- from Radiomuseum.org
- Model: AT172 Ch= AT [no push-pull] - Emerson Radio & Phonograph
- Shape
- Tablemodel without push buttons, Mantel/Midget/Compact up to 14
- Notes
- The Emerson AT172 have BC(540-1730kHz) and SW(5.6-18.0MHz) bands. Either 6.5" or 10" speaker. Capability for automatic dial of ten preset BC stations. Ingraham cabinet. See also the other AT172 with push-pull but only one tube for 2nd det. plus 1st AF. It is mentioned in the 1938 Emerson sales brochure - but not this version ...
- External source of data
- E. Erb 3-907007-36-0
- Circuit diagram reference
- Die «Thali Schemasammlung» führt das Modell.
- Mentioned in
- Rider's Perpetual, Volume 8 = 1937 and before
- Literature/Schematics (1)
- Machine Age to Jet Age II
- Other Models
-
Here you find 2101 models, 1158 with images and 1659 with schematics for wireless sets etc. In French: TSF for Télégraphie sans fil.
All listed radios etc. from Emerson Radio & Phonograph Corp.; New York, NY