DC308 Ch= DC
Emerson Radio & Phonograph Corp.; New York, NY
- Produttore / Marca
- Emerson Radio & Phonograph Corp.; New York, NY
- Anno
- 1939
- Categoria
- Radio (o sintonizzatore del dopoguerra WW2)
- Radiomuseum.org ID
- 38938
-
- alternative name: Emerson Television
Clicca sulla miniatura dello schema per richiederlo come documento gratuito.
- Numero di tubi
- 5
- Principio generale
- Supereterodina (in generale); ZF/IF 455 kHz; 2 Stadi BF
- N. di circuiti accordati
- 6 Circuiti Mod. Amp. (AM)
- Gamme d'onda
- Solo onde medie (OM).
- Tensioni di funzionamento
- Batterie (di accumulatori e/o a secco) / 1.5;90 Volt
- Altoparlante
- AP magnetodinamico (magnete permanente e bobina mobile)
- Materiali
- Pelle / stoffa / plastica ma con altro materiale sottostante
- Radiomuseum.org
- Modello: DC308 Ch= DC - Emerson Radio & Phonograph
- Forma
- Apparecchio portatile > 20 cm (senza la necessità di una rete)
- Annotazioni
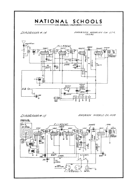
- BC(530-1600kHz) band. Built-in loop antenna as first RF circuit.
- Fonte esterna dei dati
- Ernst Erb
- Fonte dei dati
- Collector's Guide to Antique Radios (6th edition)
- Riferimenti schemi
- Rider's Perpetual, Volume 11 = ca. 1940 and before
- Altri modelli
-
In questo link sono elencati 2101 modelli, di cui 1158 con immagini e 1659 con schemi.
Elenco delle radio e altri apparecchi della Emerson Radio & Phonograph Corp.; New York, NY