TV Set 727D
Emerson Radio & Phonograph Corp.; New York, NY
- Country
- United States of America (USA)
- Manufacturer / Brand
- Emerson Radio & Phonograph Corp.; New York, NY
- Year
- 1950 ?
- Category
- Television Receiver (TV) or Monitor
- Radiomuseum.org ID
- 349348
-
- alternative name: Emerson Television
Click on the schematic thumbnail to request the schematic as a free document.
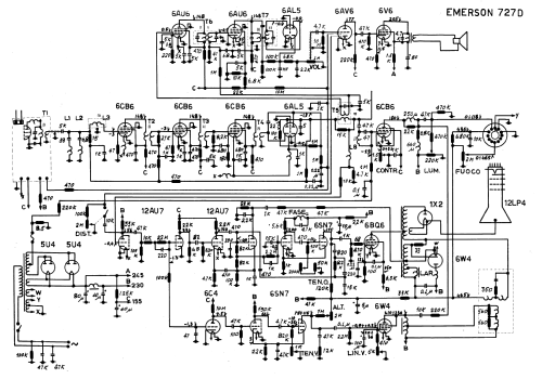
- Number of Tubes
- 24
- Valves / Tubes
- 6BQ7 6J6 6CB6 6CB6 6CB6 6AL5 6AU6 6AU6 6AL5 6AV6 6V6 6CB6 12AU7 12AU7 6SN7 6BQ6 6C4 6SN7 6W4 6W6 1X2 5U4 5U4 12LP4
- Main principle
- Superhet with RF-stage
- Wave bands
- VHF incl. FM and/or UHF (see notes for details)
- Power type and voltage
- Alternating Current supply (AC)
- Loudspeaker
- Permanent Magnet Dynamic (PDyn) Loudspeaker (moving coil)
- from Radiomuseum.org
- Model: TV Set 727D - Emerson Radio & Phonograph
- Notes
-
Black/white TV with only VHF. 12 inch CRT with 57° deflection.
Note that the schematic lists an incorrect 6W4 (half-wave rectifier) instead of a correct 6W6 (pentode), which matches the schematic symbol.
- Mentioned in
- -- Schematic (“Televisori Commerciali” E. Costa U. Hoepli editor, Italy vol. I, II edition 1962.)
- Author
- Model page created by Pier Antonio Aluffi. See "Data change" for further contributors.
- Other Models
-
Here you find 2101 models, 1156 with images and 1659 with schematics for wireless sets etc. In French: TSF for Télégraphie sans fil.
All listed radios etc. from Emerson Radio & Phonograph Corp.; New York, NY