- País
- Estados Unidos
- Fabricante / Marca
- Emerson Radio & Phonograph Corp.; New York, NY
- Año
- 1939 ?
- Categoría
- Radio - o Sintonizador pasado WW2
- Radiomuseum.org ID
- 39128
- 
        - alternative name: Emerson Television
 
Haga clic en la miniatura esquemática para solicitarlo como documento gratuito.
- Numero de valvulas
- 6
- Principio principal
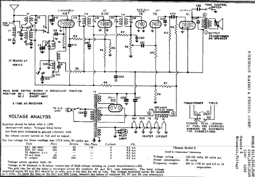
- Superheterodino en general; ZF/IF 456 kHz; 2 Etapas de AF
- Número de circuitos sintonía
- 6 Circuíto(s) AM
- Gama de ondas
- OM y OC
- Tensión de funcionamiento
- Red: Corriente alterna (CA, Inglés = AC) / 105-125 Volt
- Altavoz
- Altavoz electrodinámico (bobina de campo)
- de Radiomuseum.org
- Modelo: Z135 Ch= Z - Emerson Radio & Phonograph
- Anotaciones
- BC(540-1730kHz) and SW(5.6-18.0MHz) bands.
- Ext. procedencia de los datos
- Ernst Erb
- Referencia esquema
- Rider's Perpetual, Volume 8 = 1937 and before
- Otros modelos
- 
        Donde encontrará 2101 modelos, 1158 con imágenes y 1659 con esquemas. 
 Ir al listado general de Emerson Radio & Phonograph Corp.; New York, NY
