- Paese
- Germania
- Produttore / Marca
- Emud, Ernst Mästling; Ulm
- Anno
- 1958/1959 ?
- Categoria
- Radio (o sintonizzatore del dopoguerra WW2)
- Radiomuseum.org ID
- 147038
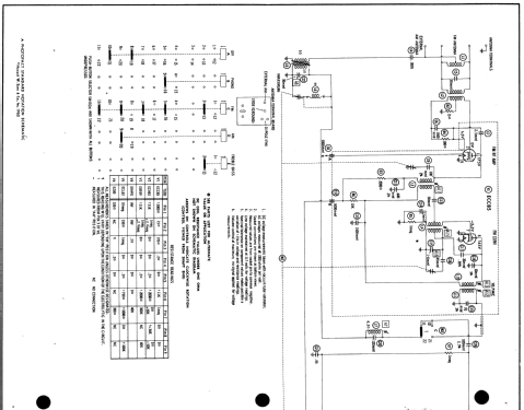
Clicca sulla miniatura dello schema per richiederlo come documento gratuito.
- Numero di tubi
- 6
- Principio generale
- Supereterodina (in generale); ZF/IF 460/10700 kHz; Modello per l'esportazione
- N. di circuiti accordati
- 6 Circuiti Mod. Amp. (AM) 9 Circuiti Mod. Freq. (FM)
- Gamme d'onda
- Onde medie (OM) e MF (FM).
- Tensioni di funzionamento
- Alimentazione a corrente alternata (CA) / 110 - 120 Volt
- Altoparlante
- 2 altoparlanti
- Materiali
- Mobile in legno
- Radiomuseum.org
- Modello: 186 - Emud, Ernst Mästling; Ulm
- Forma
- Soprammobile con qualsiasi forma (non saputo).
- Dimensioni (LxAxP)
- 14.5 x 9 x 7.75 inch / 368 x 229 x 197 mm
- Annotazioni
- Importer to USA: Delmonico International corp., NY. Sams photofact set 485 folder 9 features the Emud models 186 and 196 as the same schematic.
- Letteratura / Schemi (1)
- Photofact Folder, Howard W. SAMS (Set 485 folder 9 date 5-60)
- Autore
- Modello inviato da Peter Hoddow. Utilizzare "Proponi modifica" per inviare ulteriori dati.
- Altri modelli
-
In questo link sono elencati 423 modelli, di cui 329 con immagini e 231 con schemi.
Elenco delle radio e altri apparecchi della Emud, Ernst Mästling; Ulm