512-B 512B
Espey Mfg. Co., Inc.; New York (NY)
- Land
- USA
- Hersteller / Marke
- Espey Mfg. Co., Inc.; New York (NY)
- Jahr
- 1952 ?
- Kategorie
- Rundfunkempfänger (Radio - oder Tuner nach WW2)
- Radiomuseum.org ID
- 96506
Klicken Sie auf den Schaltplanausschnitt, um diesen kostenlos als Dokument anzufordern.
- Anzahl Röhren
- 12
- Hauptprinzip
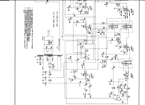
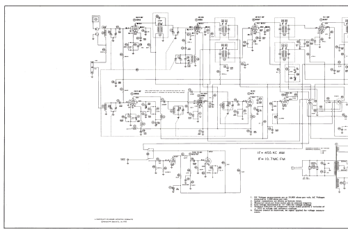
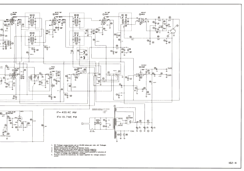
- Superhet allgemein; ZF/IF 455/10700 kHz
- Wellenbereiche
- Mittelwelle und UKW (FM).
- Betriebsart / Volt
- Wechselstromspeisung / 60Hz, 117V=110-120 Volt
- Lautsprecher
- - Für Kopfhörer oder NF-Verstärker
- Material
- Metallausführung
- von Radiomuseum.org
- Modell: 512-B 512B - Espey Mfg. Co., Inc.; New York
- Form
- Chassis - Einbaugerät
- Abmessungen (BHT)
- 13.5 x 8.5 x 9 inch / 343 x 216 x 229 mm
- Bemerkung
-
Espey model 512B is an AC operated AM-FM superheterodyne tuner for custom installation.
- Originalpreis
- 98.00 $
- Literatur/Schema (1)
- 1951 Newark catalog Nº 51
- Literatur/Schema (2)
- Photofact Folder, Howard W. SAMS (Set 182, folder 4, dated 10-52)
- Autor
- Modellseite von Vitor Oliveira angelegt. Siehe bei "Änderungsvorschlag" für weitere Mitarbeit.
- Weitere Modelle
-
Hier finden Sie 144 Modelle, davon 42 mit Bildern und 131 mit Schaltbildern.
Alle gelisteten Radios usw. von Espey Mfg. Co., Inc.; New York (NY)
Sammlungen
Das Modell 512-B befindet sich in den Sammlungen folgender Mitglieder.