7B post-war
Espey Mfg. Co., Inc.; New York (NY)
- Pays
- Etats-Unis
- Fabricant / Marque
- Espey Mfg. Co., Inc.; New York (NY)
- Année
- 1948 ?
- Catégorie
- Radio - ou tuner d'après la guerre 1939-45
- Radiomuseum.org ID
- 39228
Cliquez sur la vignette du schéma pour le demander en tant que document gratuit.
- No. de tubes
- 11
- Principe général
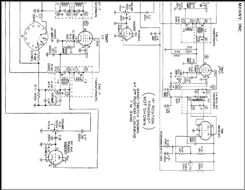
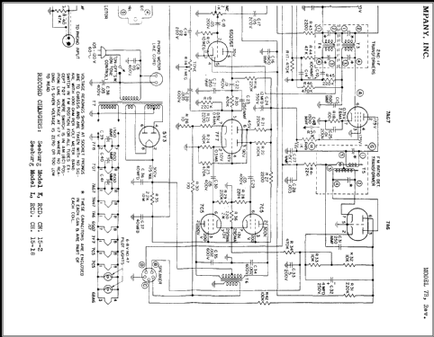
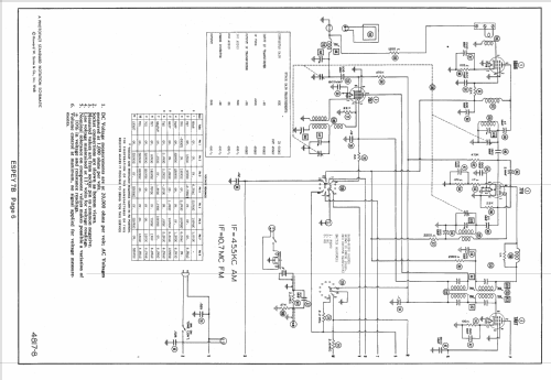
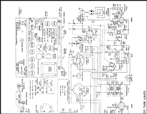
- Super hétérodyne (en général); FI/IF 455/10700 kHz
- Gammes d'ondes
- PO et FM
- Particularités
- Tourne disque avec changeur
- Tension / type courant
- Alimentation Courant Alternatif (CA) / 105 - 125 Volt
- Haut-parleur
- HP dynamique à aimant permanent + bobine mobile
- Matière
- Boitier en bois
- De Radiomuseum.org
- Modèle: 7B [post-war] - Espey Mfg. Co., Inc.; New York
- Forme
- Console de forme générique
- Remarques
- There is a minor change to the circuitry, as recorded in Rider's as model 7B,Revised.
There is also an early pre-war model 7B.
- Source extérieure
- Ernst Erb
- Source du schéma
- Rider's Perpetual, Volume 17 = 1948 and before
- D'autres Modèles
-
Vous pourrez trouver sous ce lien 144 modèles d'appareils, 42 avec des images et 131 avec des schémas.
Tous les appareils de Espey Mfg. Co., Inc.; New York (NY)