- País
- Gran Bretaña (GB)
- Fabricante / Marca
- Ever Ready Co. (GB) Ltd.; London
- Año
- 1935/1936
- Categoría
- Radio - o Sintonizador pasado WW2
- Radiomuseum.org ID
- 222126
Haga clic en la miniatura esquemática para solicitarlo como documento gratuito.
- Numero de valvulas
- 5
- Numero de transistores
- Semiconductores
- W2_Westector W6_Westector
- Principio principal
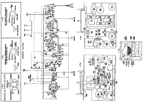
- Superheterodino con paso previo de RF; ZF/IF 127 kHz; 2 Etapas de AF
- Número de circuitos sintonía
- 7 Circuíto(s) AM
- Gama de ondas
- OM y OL
- Tensión de funcionamiento
- Baterías recargables o pilas / 130 & 90 & 69 & 4.5 & 2 Volt
- Altavoz
- Altavoz dinámico (lo más seguro)
- Material
- Madera
- de Radiomuseum.org
- Modelo: 5001 - Ever Ready Co. GB Ltd.; London
- Forma
- Sobremesa de cualquier forma, detalles no conocidos.
- Anotaciones
-
HT: 130, 90, 69V
GB: 4.5V
LT: 2V lead Acid
Class B Push pull audio (dual Triode)
2 x "Westector" metal rectifiers (W2 AVC and W6 Audio detection)
Perhaps the first Ever Ready Radio? (Made by Lissen just after T.N. Cole leaves). [Note: Service sheet lists V4 as PM2D1, but this is likely a transcription error]Band pass superhet with provision for gram (P.U.) and external speaker . External aerial and walnut finish.
- Precio durante el primer año
- 12.00 GBP
- Autor
- Modelo creado por Michael Watterson. Ver en "Modificar Ficha" los participantes posteriores.
- Otros modelos
-
Donde encontrará 204 modelos, 147 con imágenes y 92 con esquemas.
Ir al listado general de Ever Ready Co. (GB) Ltd.; London