- Pays
- Etats-Unis
- Fabricant / Marque
- Fada Radio & Electric Co.; Long Island (NY)
- Année
- 1940
- Catégorie
- Radio - ou tuner d'après la guerre 1939-45
- Radiomuseum.org ID
- 39743
-
- alternative name: Andrea-Radio || Nater, Henri, Atlanta-Radio; Zürich
Cliquez sur la vignette du schéma pour le demander en tant que document gratuit.
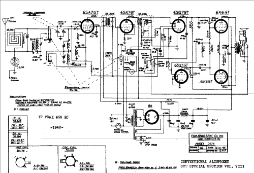
- No. de tubes
- 7
- Principe général
- Super hétérodyne (en général); FI/IF 456 kHz; 2 Etage(s) BF
- Circuits accordés
- 5 Circuits MA (AM)
- Gammes d'ondes
- PO et OC
- Tension / type courant
- Alimentation Courant Alternatif (CA) / 120 Volt
- Haut-parleur
- HP dynamique à électro-aimant (électrodynamique)
- De Radiomuseum.org
- Modèle: D174 - Fada Radio & Electric Co.;
- Remarques
- BC (540 - 1660 kHz) band with built-in loop antenna and SW (5.66 - 18.60 MHz) band.
- Source extérieure
- Ernst Erb
- Source du schéma
- Rider's Perpetual, Volume 12 = ca. 1941 and before
- D'autres Modèles
-
Vous pourrez trouver sous ce lien 772 modèles d'appareils, 455 avec des images et 543 avec des schémas.
Tous les appareils de Fada Radio & Electric Co.; Long Island (NY)