13-G-168 Code 334-4-AS60A
Firestone Tire & Rubber Co. (Air Chief & Roamer, Airchief); Akron (OH)
- Country
 - United States of America (USA)
 
- Manufacturer / Brand
 - Firestone Tire & Rubber Co. (Air Chief & Roamer, Airchief); Akron (OH)
 
- Year
 - 1956 ?
 
- Category
 - Television Receiver (TV) or Monitor
 
- Radiomuseum.org ID
 - 264410
 
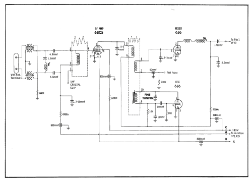
Click on the schematic thumbnail to request the schematic as a free document.
- Main principle
 - Superheterodyne (common)
 
- Wave bands
 - VHF incl. FM and/or UHF (see notes for details)
 
- Power type and voltage
 - Alternating Current supply (AC) / 60 cycles, 105-120 Volt
 
- from Radiomuseum.org
 - Model: 13-G-168 Code 334-4-AS60A - Firestone Tire & Rubber Co.
 
- Notes
 - 
        
The Firestone model 13-G-168 Code 334-4-AS60A is electrically identical to model 13-G-168 Codes 334-4-AM57A and 334-4-AS57A.The actual changes can be found in "Production Changes Bulletin" 178 Set 345 Folder 1 Date 1-57.
 
- Literature/Schematics (1)
 - Photofact Folder, Howard W. SAMS (Set 283 Folder 5)
 
- Author
 - Model page created by Dirk Taekels. See "Data change" for further contributors.
 
- Other Models
 - 
        
Here you find 491 models, 319 with images and 450 with schematics for wireless sets etc. In French: TSF for Télégraphie sans fil.
All listed radios etc. from Firestone Tire & Rubber Co. (Air Chief & Roamer, Airchief); Akron (OH)