13-G-206 Code 334-5-A61C/A
Firestone Tire & Rubber Co. (Air Chief & Roamer, Airchief); Akron (OH)
- Land
- USA
- Hersteller / Marke
- Firestone Tire & Rubber Co. (Air Chief & Roamer, Airchief); Akron (OH)
- Jahr
- 1956 ?
- Kategorie
- Fernseh-Empfänger/Monitor
- Radiomuseum.org ID
- 272650
Klicken Sie auf den Schaltplanausschnitt, um diesen kostenlos als Dokument anzufordern.
- Anzahl Röhren
- 21
- Röhren
- 6BZ7 6U8 6AF4 6CB6 6CB6 6CB6 6U8 12BY7 6U8 6BN6 6AQ5 6AU6 6BY6 12AU7 6W6GT 6SN7GT 6BQ6GA 1B3GT 6AX4GT 5U4GB 21ATP4
- Hauptprinzip
- Super mit HF-Vorstufe
- Wellenbereiche
- VHF/UHF (siehe Bemerkungen)
- Betriebsart / Volt
- Wechselstromspeisung / 60 cycles, 110-120 Volt
- Lautsprecher
- Dynamischer LS, keine Erregerspule (permanentdynamisch)
- Material
- Gerät mit Holzgehäuse
- von Radiomuseum.org
- Modell: 13-G-206 Code 334-5-A61C/A - Firestone Tire & Rubber Co.
- Form
- Standgerät: allgemein.
- Bemerkung
-
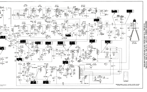
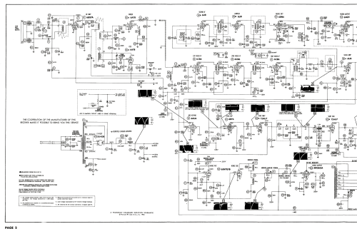
The FIRESTONE model 13-G-206 Code 334-5-A61C/A is a 21" b/w TV with US standard VHF Tuner channels 2 thru 13, 14 thru 83 UHF. Equipped with UHF/VHF tuner 25A1139 and picture tube 21ATP4.
- Literatur/Schema (1)
- Photofact Folder, Howard W. SAMS (Set 330 folder 5 dated 9-56.)
- Autor
- Modellseite von Dirk Taekels angelegt. Siehe bei "Änderungsvorschlag" für weitere Mitarbeit.
- Weitere Modelle
-
Hier finden Sie 491 Modelle, davon 318 mit Bildern und 450 mit Schaltbildern.
Alle gelisteten Radios usw. von Firestone Tire & Rubber Co. (Air Chief & Roamer, Airchief); Akron (OH)