13-G-222 Code 334-6-A62
Firestone Tire & Rubber Co. (Air Chief & Roamer, Airchief); Akron (OH)
- Produttore / Marca
- Firestone Tire & Rubber Co. (Air Chief & Roamer, Airchief); Akron (OH)
- Anno
- 1957 ?
- Categoria
- Televisore (TV) / Monitor
- Radiomuseum.org ID
- 315575
Clicca sulla miniatura dello schema per richiederlo come documento gratuito.
- Numero di tubi
- 17
- Valvole
- 2AF4 4BZ7 5U8 3CB6 3CB6 3CB6 12BY7A 5U8 3BN6 5AQ5 7AU7 12W6GT 6SN7GTB 12DQ6 12AX4GTA 1B3GT 21ATP4
- Principio generale
- Supereterodina con stadio RF
- Gamme d'onda
- Gamme d'onda nelle note.
- Tensioni di funzionamento
- Alimentazione a corrente alternata (CA) / 60 Hz, 117V = 110 -120 Volt
- Altoparlante
- 2 altoparlanti
- Materiali
- Mobile in legno
- Radiomuseum.org
- Modello: 13-G-222 Code 334-6-A62 - Firestone Tire & Rubber Co.
- Forma
- Soprammobile con qualsiasi forma (non saputo).
- Annotazioni
-
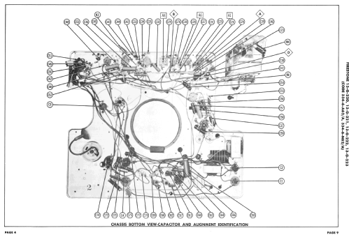
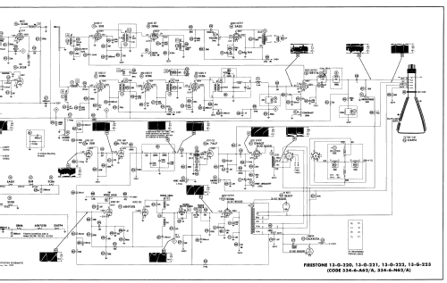
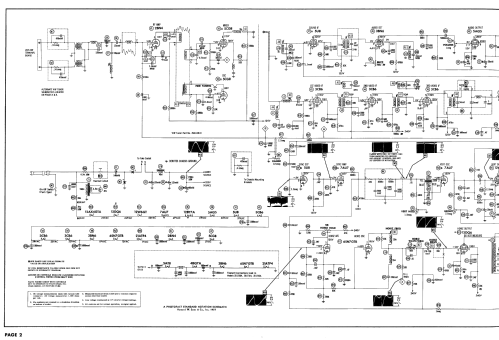
Firestone model 13-G-222 Code 334-6-A62 is a 21" b/w TV with US standard VHF tuner channels 2 thru 13, and 14 thru 83 UHF. Equipped with VHF-UHF tuner 25A1145 and picture tube 21ATP4A.
- Letteratura / Schemi (1)
- Photofact Folder, Howard W. SAMS (Set 375 Folder 2 dated 10-57)
- Autore
- Modello inviato da Dirk Taekels. Utilizzare "Proponi modifica" per inviare ulteriori dati.
- Altri modelli
-
In questo link sono elencati 491 modelli, di cui 318 con immagini e 450 con schemi.
Elenco delle radio e altri apparecchi della Firestone Tire & Rubber Co. (Air Chief & Roamer, Airchief); Akron (OH)