13-G-226 (Code-334-6-N63/A)
Firestone Tire & Rubber Co. (Air Chief & Roamer, Airchief); Akron (OH)
- Pays
- Etats-Unis
- Fabricant / Marque
- Firestone Tire & Rubber Co. (Air Chief & Roamer, Airchief); Akron (OH)
- Année
- 1957 ?
- Catégorie
- Récepteur de télévision ou moniteur
- Radiomuseum.org ID
- 315043
Cliquez sur la vignette du schéma pour le demander en tant que document gratuit.
- No. de tubes
- 20
- Lampes / Tubes
- 6BN4 6CG8 6CB6 6CB6 6CB6 6U8 12BY7 6AU6 6U8 6BN6 6AQ5 6BY6 12AU7 6W6GT 6SN7GTB 6DQ6 6AX4GT 1B3GT 5U4GB 21ATP4
- Gammes d'ondes
- Bandes en notes
- Tension / type courant
- Alimentation Courant Alternatif (CA) / 60 Hz, 117V = 110 -120 Volt
- Haut-parleur
- 2 HP
- Matière
- Boitier en bois
- De Radiomuseum.org
- Modèle: 13-G-226 - Firestone Tire & Rubber Co.
- Forme
- Console de forme générique
- Remarques
-
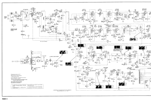
Firestone model 13-G-226 (Code 334-6-N63/A) is a 21" b/w TV with US standard VHF tuner channels 2 thru 13. Equipped with VHF tuner 25A1147 and picture tube 21ATP4.
- Schémathèque (1)
- Photofact Folder, Howard W. SAMS (Set 373 Folder 5 dated 10-57)
- Auteur
- Modèle crée par Dirk Taekels. Voir les propositions de modification pour les contributeurs supplémentaires.
- D'autres Modèles
-
Vous pourrez trouver sous ce lien 491 modèles d'appareils, 318 avec des images et 450 avec des schémas.
Tous les appareils de Firestone Tire & Rubber Co. (Air Chief & Roamer, Airchief); Akron (OH)