13G177 Ch= 334-4-AM50A
Firestone Tire & Rubber Co. (Air Chief & Roamer, Airchief); Akron (OH)
- Pays
- Etats-Unis
- Fabricant / Marque
- Firestone Tire & Rubber Co. (Air Chief & Roamer, Airchief); Akron (OH)
- Année
- 1955 ?
- Catégorie
- Récepteur de télévision ou moniteur
- Radiomuseum.org ID
- 330091
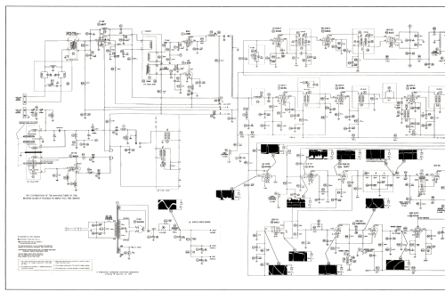
Cliquez sur la vignette du schéma pour le demander en tant que document gratuit.
- No. de tubes
- 24
- Lampes / Tubes
- 6AF4 6BZ7 6U8 6CB6 6CB6 6CB6 6AL5 12AT7 12BY7 6AU6 6AU6 6AU6 6AL5 6AV6 6AQ5 6CS6 6SN7GTA 6AL5 6SN7GTA 6CU6 6AX4GT 1B3GT 5U4GA 21ZP4B
- Principe général
- Super hétérodyne avec étage HF
- Gammes d'ondes
- Bandes en notes
- Tension / type courant
- Alimentation Courant Alternatif (CA) / 60 Hz, 117V = 110 -120 Volt
- Haut-parleur
- HP dynamique à aimant permanent + bobine mobile
- Matière
- Boitier en bois
- De Radiomuseum.org
- Modèle: 13G177 Ch= 334-4-AM50A - Firestone Tire & Rubber Co.
- Forme
- Modèle de table générique
- Remarques
-
Westinghouse 13G177 is a 21” b/w TV with US standard VHF tuner channels 2 thru
13, and 14 thru 83 UHF. Equipped with chassis 334-4-AM50A, VHF- UHF-tuner 25A1128 and picture tube 21ZP4B.
- Schémathèque (1)
- Photofact Folder, Howard W. SAMS (Set 295 Folder 6 dated 11-55)
- Auteur
- Modèle crée par Dirk Taekels. Voir les propositions de modification pour les contributeurs supplémentaires.
- D'autres Modèles
-
Vous pourrez trouver sous ce lien 491 modèles d'appareils, 319 avec des images et 450 avec des schémas.
Tous les appareils de Firestone Tire & Rubber Co. (Air Chief & Roamer, Airchief); Akron (OH)