- Paese
- Canada
- Produttore / Marca
- Firestone Tire and Rubber Co. of Canada, Ltd.; Hamilton ON
- Anno
- 1947 ??
- Categoria
- Radio (o sintonizzatore del dopoguerra WW2)
- Radiomuseum.org ID
- 300514
Clicca sulla miniatura dello schema per richiederlo come documento gratuito.
- Numero di tubi
- 5
- Principio generale
- Supereterodina (in generale); ZF/IF 455 kHz; 2 Stadi BF
- N. di circuiti accordati
- 6 Circuiti Mod. Amp. (AM)
- Gamme d'onda
- Solo onde medie (OM).
- Tensioni di funzionamento
- Alimentazione universale (doppia: CC/CA) / 117 Volt
- Altoparlante
- AP magnetodinamico (magnete permanente e bobina mobile) / Ø 4 inch = 10.2 cm
- Materiali
- Plastica o bachelite
- Radiomuseum.org
- Modello: 4-A-10 - Firestone Tire and Rubber Co.
- Forma
- Soprammobile compatto/con bordi arrotondati/midget senza pulsantiera/tastiera.<= 35 cm (Sometimes with handle but for mains only).
- Annotazioni
-
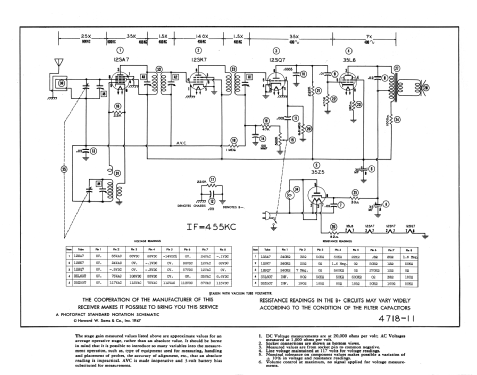
The Canadian Firestone model 4-A-10 is a 5-tube table radio for standard broadcast reception. Schematic may be similar to USA Firestone model 4-A-10 except that the USA model uses a 35L6GT.
Available in brown and ivory colour.
- Autore
- Modello inviato da Tom Seeger. Utilizzare "Proponi modifica" per inviare ulteriori dati.
- Altri modelli
-
In questo link sono elencati 6 modelli, di cui 2 con immagini e 5 con schemi.
Elenco delle radio e altri apparecchi della Firestone Tire and Rubber Co. of Canada, Ltd.; Hamilton ON