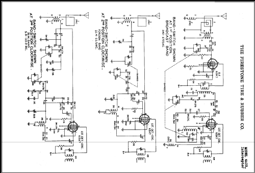
4-A-23 "Intercepter" Code 5-59003-A
Firestone Tire & Rubber Co. (Air Chief & Roamer, Airchief); Akron (OH)
- Country
- United States of America (USA)
- Manufacturer / Brand
- Firestone Tire & Rubber Co. (Air Chief & Roamer, Airchief); Akron (OH)
- Year
- 1946
- Category
- Broadcast Receiver - or past WW2 Tuner
- Radiomuseum.org ID
- 40621
Click on the schematic thumbnail to request the schematic as a free document.
- Number of Tubes
- 7
- Main principle
- Superhet with RF-stage; ZF/IF 455 kHz
- Tuned circuits
- 7 AM circuit(s)
- Wave bands
- Broadcast plus 2 Short Wave bands.
- Power type and voltage
- Alternating Current supply (AC) / 117 Volt
- Loudspeaker
- Electro Magnetic Dynamic LS (moving-coil with field excitation coil) / Ø 6 inch = 15.2 cm
- Material
- Wooden case
- from Radiomuseum.org
- Model: 4-A-23 "Intercepter" Code 5-59003-A - Firestone Tire & Rubber Co.
- Shape
- Tablemodel, with any shape - general.
- Dimensions (WHD)
- 19 x 12 x 10.5 inch / 483 x 305 x 267 mm
- External source of data
- Ernst Erb
- Source of data
- Collector's Guide to Antique Radios 4. Edition
- Circuit diagram reference
- Rider's Perpetual, Volume 15 = 1947 and before
- Literature/Schematics (1)
- Photofact Folder, Howard W. SAMS (Set 2 folder 462-29 date 7-46)
- Other Models
-
Here you find 491 models, 319 with images and 450 with schematics for wireless sets etc. In French: TSF for Télégraphie sans fil.
All listed radios etc. from Firestone Tire & Rubber Co. (Air Chief & Roamer, Airchief); Akron (OH)