Firestone 13-G-209 Code 199-6-A2010
Firestone Tire & Rubber Co. (Air Chief & Roamer, Airchief); Akron (OH)
- Country
- United States of America (USA)
- Manufacturer / Brand
- Firestone Tire & Rubber Co. (Air Chief & Roamer, Airchief); Akron (OH)
- Year
- 1957 ?
- Category
- Television Receiver (TV) or Monitor
- Radiomuseum.org ID
- 312665
Click on the schematic thumbnail to request the schematic as a free document.
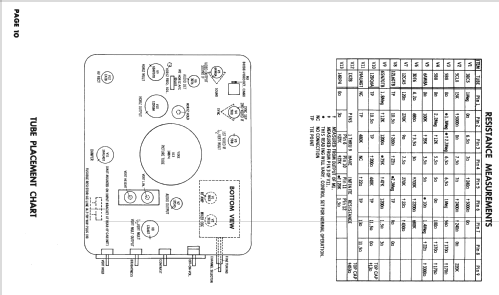
- Number of Tubes
- 13
- Main principle
- Superhet with RF-stage
- Wave bands
- Wave Bands given in the notes.
- Power type and voltage
- Alternating Current supply (AC) / 60 Hz, 117V = 110 -120 Volt
- Loudspeaker
- Permanent Magnet Dynamic (PDyn) Loudspeaker (moving coil) / Ø 4 inch = 10.2 cm
- Material
- Plastics (no bakelite or catalin)
- from Radiomuseum.org
- Model: Firestone 13-G-209 Code 199-6-A2010 - Firestone Tire & Rubber Co.
- Shape
- Tablemodel, with any shape - general.
- Notes
-
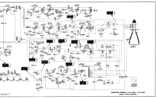
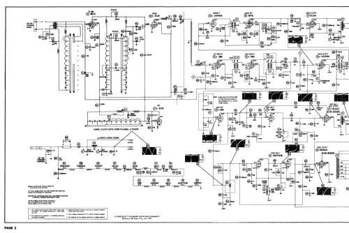
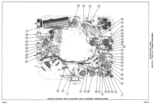
Firestone model 13-G-209 code 199-6-A2010 is a 14" b/w TV with US standard VHF tuner channels 2 thru 13. Equipped with VHF tuner 1-3067 and picture tube 14RP4A.
- Literature/Schematics (1)
- Photofact Folder, Howard W. SAMS (Set 367 Folder 6 dated 8-57)
- Author
- Model page created by Dirk Taekels. See "Data change" for further contributors.
- Other Models
-
Here you find 491 models, 319 with images and 450 with schematics for wireless sets etc. In French: TSF for Télégraphie sans fil.
All listed radios etc. from Firestone Tire & Rubber Co. (Air Chief & Roamer, Airchief); Akron (OH)