4-A-92 Code 297-1-327
Firestone Tire & Rubber Co. (Air Chief & Roamer, Airchief); Akron (OH)
- Produttore / Marca
- Firestone Tire & Rubber Co. (Air Chief & Roamer, Airchief); Akron (OH)
- Anno
- 1951 ?
- Categoria
- Radio (o sintonizzatore del dopoguerra WW2)
- Radiomuseum.org ID
- 40652
Clicca sulla miniatura dello schema per richiederlo come documento gratuito.
- Numero di tubi
- 5
- Principio generale
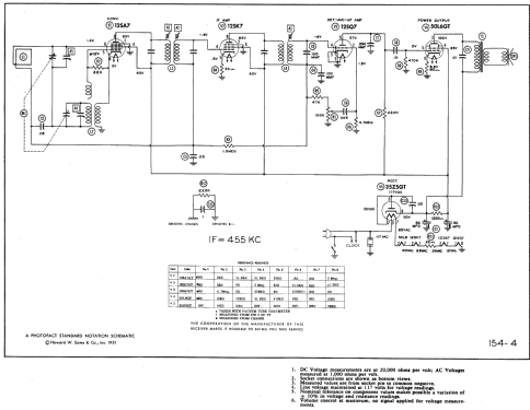
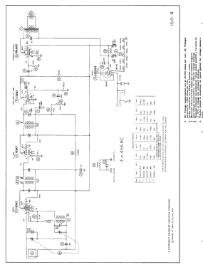
- Supereterodina (in generale); ZF/IF 455 kHz; 2 Stadi BF
- N. di circuiti accordati
- 6 Circuiti Mod. Amp. (AM)
- Gamme d'onda
- Solo onde medie (OM).
- Tensioni di funzionamento
- Alimentazione a corrente alternata (CA) / 60 Hz, 117V = 110 -120 Volt
- Altoparlante
- AP magnetodinamico (magnete permanente e bobina mobile) / Ø 3.5 inch = 8.9 cm
- Potenza d'uscita
- 0.8 W (qualità ignota)
- Materiali
- Plastica (non bachelite o catalina)
- Radiomuseum.org
- Modello: 4-A-92 Code 297-1-327 - Firestone Tire & Rubber Co.
- Forma
- Soprammobile con orologio (radio-orologio, radiosveglia).
- Dimensioni (LxAxP)
- 11.1 x 5.1 x 5.1 inch / 282 x 130 x 130 mm
- Annotazioni
-
Firestone model 4-A-92 is an AC operated superheterodyne receiver with electric clock.
- Fonte esterna dei dati
- Ernst Erb
- Fonte dei dati
- Collector's Guide to Antique Radios 4. Edition
- Riferimenti schemi
- Beitman Radio Diagrams Vol. 12, 1952
- Bibliografia
- The Radio Collector's Directory and Price Guide 1921 - 1965 (Rider's Perpetual, Volume 22)
- Letteratura / Schemi (1)
- Photofact Folder, Howard W. SAMS (Date 12-51, Set 154, Folder 4)
- Altri modelli
-
In questo link sono elencati 491 modelli, di cui 318 con immagini e 450 con schemi.
Elenco delle radio e altri apparecchi della Firestone Tire & Rubber Co. (Air Chief & Roamer, Airchief); Akron (OH)