Wooden Clock Radio 4-A-110
Firestone Tire & Rubber Co. (Air Chief & Roamer, Airchief); Akron (OH)
- Pays
- Etats-Unis
- Fabricant / Marque
- Firestone Tire & Rubber Co. (Air Chief & Roamer, Airchief); Akron (OH)
- Année
- 1952 ??
- Catégorie
- Radio - ou tuner d'après la guerre 1939-45
- Radiomuseum.org ID
- 188688
Cliquez sur la vignette du schéma pour le demander en tant que document gratuit.
- No. de tubes
- 5
- Principe général
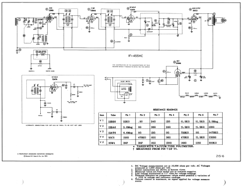
- Super hétérodyne (en général); FI/IF 455 kHz
- Gammes d'ondes
- PO uniquement
- Tension / type courant
- Alimentation Courant Alternatif (CA) / 117 Volt
- Haut-parleur
- HP dynamique à aimant permanent + bobine mobile / Ø 4 inch = 10.2 cm
- Matière
- Boitier en bois
- De Radiomuseum.org
- Modèle: Wooden Clock Radio 4-A-110 - Firestone Tire & Rubber Co.
- Forme
- Modèle de table générique
- Dimensions (LHP)
- 13.25 x 7.25 x 6 inch / 337 x 184 x 152 mm
- Remarques
- Wooden Clock Radio.
- Auteur
- Modèle crée par John Kusching. Voir les propositions de modification pour les contributeurs supplémentaires.
- D'autres Modèles
-
Vous pourrez trouver sous ce lien 491 modèles d'appareils, 318 avec des images et 450 avec des schémas.
Tous les appareils de Firestone Tire & Rubber Co. (Air Chief & Roamer, Airchief); Akron (OH)
Collections
Le modèle Wooden Clock Radio fait partie des collections des membres suivants.