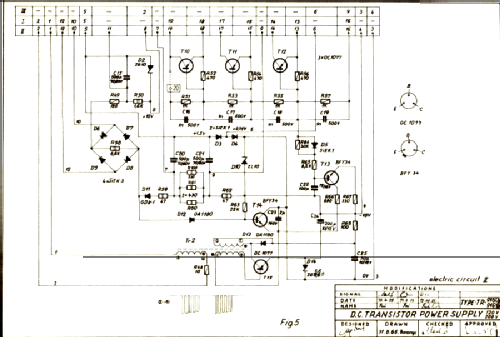
D.C. Transistor Power Supply TR-9160/A
Fok-Gyem Szövetkezet; Budapest
- Land
- Ungarn
- Hersteller / Marke
- Fok-Gyem Szövetkezet; Budapest
- Jahr
- 1979 ??
- Kategorie
- Strom-Versorgung oder Spannungsstabilisator
- Radiomuseum.org ID
- 323659
Klicken Sie auf den Schaltplanausschnitt, um diesen kostenlos als Dokument anzufordern.
- Anzahl Transistoren
- Halbleiter vorhanden.
- Halbleiter
- Wellenbereiche
- - ohne
- Betriebsart / Volt
- Wechselstromspeisung / 110; 127; 220 Volt
- Lautsprecher
- - - Kein Ausgang für Schallwiedergabe.
- Material
- Metallausführung
- von Radiomuseum.org
- Modell: D.C. Transistor Power Supply TR-9160/A - Fok-Gyem Szövetkezet; Budapest
- Form
- Rack
- Abmessungen (BHT)
- 490 x 220 x 280 mm / 19.3 x 8.7 x 11 inch
- Bemerkung
-
DC 120 V / 1 A max.
- Nettogewicht
- 22 kg / 48 lb 7.3 oz (48.458 lb)
- Autor
- Modellseite von Sándor Selyem-Tóth angelegt. Siehe bei "Änderungsvorschlag" für weitere Mitarbeit.
- Weitere Modelle
-
Hier finden Sie 45 Modelle, davon 43 mit Bildern und 17 mit Schaltbildern.
Alle gelisteten Radios usw. von Fok-Gyem Szövetkezet; Budapest