Masterpiece 6-F-3 (6F3) Mahogany
Freshman Co. Inc., Chas.., (Polydyne); New York
- Land
- USA
- Hersteller / Marke
- Freshman Co. Inc., Chas.., (Polydyne); New York
- Jahr
- 1926
- Kategorie
- Rundfunkempfänger (Radio - oder Tuner nach WW2)
- Radiomuseum.org ID
- 41074
- 
        - Marke: C.A.Earl
 
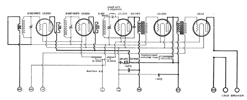
Klicken Sie auf den Schaltplanausschnitt, um diesen kostenlos als Dokument anzufordern.
- Anzahl Röhren
- 5
- Hauptprinzip
- Geradeaus ohne Rückkopplung; 2 NF-Stufe(n)
- Anzahl Kreise
- 3 Kreis(e) AM
- Wellenbereiche
- Mittelwelle, keine anderen.
- Betriebsart / Volt
- Akku und/oder Batterie
- Lautsprecher
- -Lautsprecher eingebaut, aber System nicht erfasst.
- Material
- Gerät mit Holzgehäuse
- von Radiomuseum.org
- Modell: Masterpiece 6-F-3 [Mahogany] - Freshman Co. Inc., Chas..,
- Form
- Standgerät auf niedrigen Beinen (Beine < 50 % der Gesamthöhe).
- Bemerkung
- 
        Three dials (primary tuning control knobs). Mahogany cabinet. The new UX-200A Detector Tube should be used as it will give considerably more volume and pick up greater distance than the 201A. It is absolutely necessary that a good detector tube be used as microphonic and other noises are reproduced by this tube. A cone speaker is incorporated in the cabinet. 
- Nettogewicht
- 43 lb (43 lb 0 oz) / 19.522 kg
- Originalpreis
- 69.50 $
- Datenherkunft extern
- Ernst Erb
- Datenherkunft
- Radio Collector`s Guide 1921-1932
- Schaltungsnachweis
- Rider's Perpetual, Volume 1 = 1931/1934 (for 1919-1931)
- Literaturnachweis
- Collector's Guide to Antique Radios 4. Edition
- Literatur/Schema (1)
- Radio Manufacturers of the 1920's, Vol. 2
- Literatur/Schema (4)
- 1926 Chas. Freshman Company brochure for the 6-F series of radios.
- Weitere Modelle
- 
        Hier finden Sie 131 Modelle, davon 79 mit Bildern und 44 mit Schaltbildern. 
 Alle gelisteten Radios usw. von Freshman Co. Inc., Chas.., (Polydyne); New York
 
                
                
                
                
                
                
                
                
                
                
                
                
                
                
                
                
                
                
                
                
                
                
                
               