Coronado 35TV2-42-9022C
Gamble-Skogmo, Inc.; Minneapolis, MN
- Country
- United States of America (USA)
- Manufacturer / Brand
- Gamble-Skogmo, Inc.; Minneapolis, MN
- Year
- 1953 ?
- Category
- Television Receiver (TV) or Monitor
- Radiomuseum.org ID
- 364350
-
- Brand: Coronado
Click on the schematic thumbnail to request the schematic as a free document.
- Number of Tubes
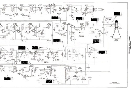
- 23
- Valves / Tubes
- 6BQ7 6J6 6CB6 6CB6 6CB6 6AL5 12AT7 6AH6 6AU6 6AU6 6AU6 6AL5 6AV6 6AQ5 6BE6 6SN7GTA 6AL5 6SN7GTA 6BQ6GT 6W4GT 1B3GT 5U4G 17HP4
- Main principle
- Superhet with RF-stage
- Wave bands
- Wave Bands given in the notes.
- Power type and voltage
- Alternating Current supply (AC) / 60 Hz, 117V = 110 -120 Volt
- Loudspeaker
- Permanent Magnet Dynamic (PDyn) Loudspeaker (moving coil) / Ø 6 inch = 15.2 cm
- Material
- Wooden case
- from Radiomuseum.org
- Model: Coronado 35TV2-42-9022C - Gamble-Skogmo, Inc.;
- Shape
- Console with any shape - in general
- Notes
-
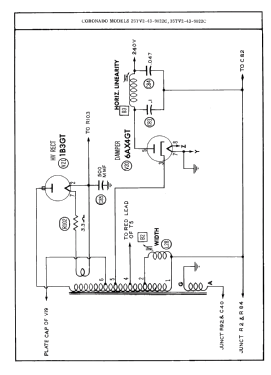
Coronado model 35TV2-43-9022C is a 17” b/w TV with US standard VHF tuner channels 2 thru 13. Equipped with VHF tuner 25A1094 and picture tube 17HP4.
- Literature/Schematics (1)
- Set 202, folder 1, dated 5-53
- Literature/Schematics (2)
- Set 212, Folder 1, dated 8-53
- Author
- Model page created by Dirk Taekels. See "Data change" for further contributors.
- Other Models
-
Here you find 717 models, 336 with images and 641 with schematics for wireless sets etc. In French: TSF for Télégraphie sans fil.
All listed radios etc. from Gamble-Skogmo, Inc.; Minneapolis, MN