Coronado RA48-8159A
Gamble-Skogmo, Inc.; Minneapolis, MN
- Country
- United States of America (USA)
- Manufacturer / Brand
- Gamble-Skogmo, Inc.; Minneapolis, MN
- Year
- 1958 ?
- Category
- Broadcast Receiver - or past WW2 Tuner
- Radiomuseum.org ID
- 194465
-
- Brand: Coronado
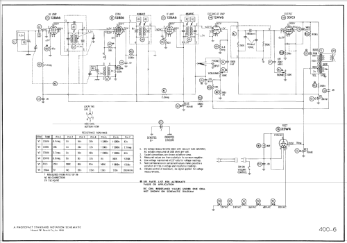
Click on the schematic thumbnail to request the schematic as a free document.
- Number of Tubes
- 6
- Main principle
- Superhet with RF-stage; ZF/IF 456 kHz; 2 AF stage(s)
- Tuned circuits
- 7 AM circuit(s)
- Wave bands
- Broadcast only (MW).
- Power type and voltage
- AC/DC-set / 105 - 120 Volt
- Loudspeaker
- Permanent Magnet Dynamic (PDyn) Loudspeaker (moving coil) / Ø 6.5 inch = 16.5 cm
- Material
- Plastics (no bakelite or catalin)
- from Radiomuseum.org
- Model: Coronado RA48-8159A - Gamble-Skogmo, Inc.;
- Shape
- Tablemodel without push buttons, Mantel/Midget/Compact up to 14
- Notes
-
Coronado model RA48-8159A is an AC-DC operated AM receiver.
- Literature/Schematics (1)
- Photofact Folder, Howard W. SAMS (Date 5-58, Set 400, Folder 6)
- Author
- Model page created by Egon Penker. See "Data change" for further contributors.
- Other Models
-
Here you find 717 models, 336 with images and 641 with schematics for wireless sets etc. In French: TSF for Télégraphie sans fil.
All listed radios etc. from Gamble-Skogmo, Inc.; Minneapolis, MN