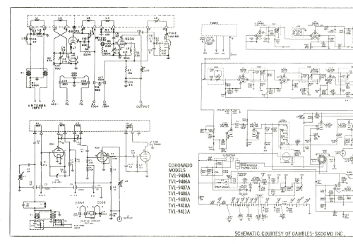
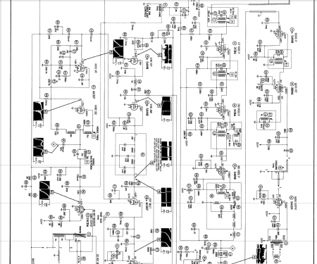
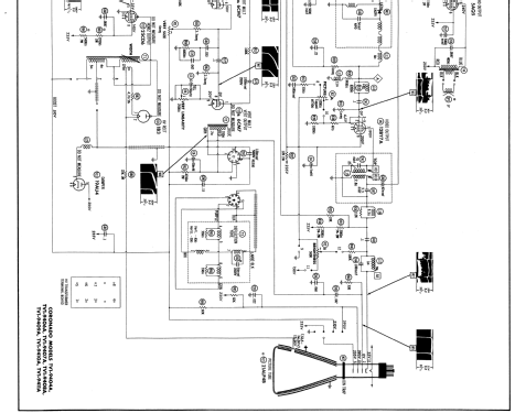
Coronado TV1-9406A
Gamble-Skogmo, Inc.; Minneapolis, MN
- Land
- USA
- Hersteller / Marke
- Gamble-Skogmo, Inc.; Minneapolis, MN
- Jahr
- 1957 ?
- Kategorie
- Fernseh-Empfänger/Monitor
- Radiomuseum.org ID
- 258022
-
- Marke: Coronado
Klicken Sie auf den Schaltplanausschnitt, um diesen kostenlos als Dokument anzufordern.
- Anzahl Röhren
- 15
- Röhren
- 2BN4 5CG8 3CB6 3CB6 5AN8 12BY7A 5AN8 3BN6 5AQ5 6CM7 6CG7 25CD6G 19AU4 1B3GT 21ALP4B or 21AVP4A
- Hauptprinzip
- Super mit HF-Vorstufe
- Wellenbereiche
- VHF/UHF (siehe Bemerkungen)
- Betriebsart / Volt
- Wechselstromspeisung / 60 cycles, 110-120 Volt
- Lautsprecher
- Dynamischer LS, keine Erregerspule (permanentdynamisch) / Ø 6 inch = 15.2 cm
- Material
- Gerät mit Holzgehäuse
- von Radiomuseum.org
- Modell: Coronado TV1-9406A - Gamble-Skogmo, Inc.;
- Form
- Tischgerät, Hochformat (höher als quadratisch, schlicht, keine Kathedrale).
- Bemerkung
-
The Coronado TV1-9406A is a 21" b/w TV with US standard VHF Tuner channels 2 thru 13. Equipped with picture tube 21ALP4B or 21AVP4A.
- Literatur/Schema (1)
- Photofact Folder, Howard W. SAMS (Set 361, Folder 4 dated 6-57)
- Literatur/Schema (2)
- Photofact Folder, Howard W. SAMS (Set 340 Folder 22-S Dated 56)
- Autor
- Modellseite von Jose Luis Espinosa Gonzalez angelegt. Siehe bei "Änderungsvorschlag" für weitere Mitarbeit.
- Weitere Modelle
-
Hier finden Sie 717 Modelle, davon 336 mit Bildern und 641 mit Schaltbildern.
Alle gelisteten Radios usw. von Gamble-Skogmo, Inc.; Minneapolis, MN