Coronado TV1-9407A
Gamble-Skogmo, Inc.; Minneapolis, MN
- País
- Estados Unidos
- Fabricante / Marca
- Gamble-Skogmo, Inc.; Minneapolis, MN
- Año
- 1957 ?
- Categoría
- Televisión (TV) o monitor
- Radiomuseum.org ID
- 258009
-
- Brand: Coronado
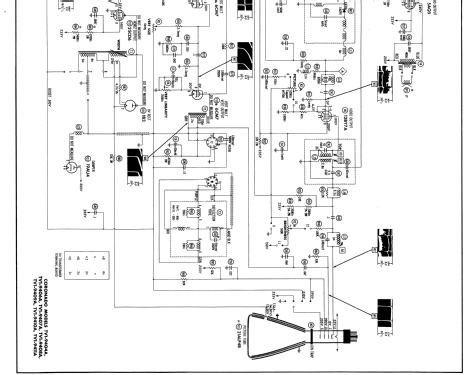
Haga clic en la miniatura esquemática para solicitarlo como documento gratuito.
- Numero de valvulas
- 15
- Válvulas
- 2BN4 5CG8 3CB6 3CB6 5AN8 12BY7A 5AN8 3BN6 5AQ5 6CM7 6CG7 25CD6G 19AU4 1B3GT 21ALP4B or 21AVP4A
- Principio principal
- Superheterodino con paso previo de RF
- Gama de ondas
- VHF/UHF (see notes for details)
- Tensión de funcionamiento
- Red: Corriente alterna (CA, Inglés = AC) / 60 cycles, 110-120 Volt
- Altavoz
- Altavoz dinámico (de imán permanente) / Ø 6 inch = 15.2 cm
- Material
- Madera
- de Radiomuseum.org
- Modelo: Coronado TV1-9407A - Gamble-Skogmo, Inc.;
- Forma
- Sobremesa apaisado (tamaño grande).
- Anotaciones
-
The Coronado TV1-9407A is a 21" b/w TV with US standard VHF Tuner channels 2 thru 13. Equipped with picture tube 21ALP4B or 21AVP4A.
- Documentación / Esquemas (1)
- Photofact Folder, Howard W. SAMS (Set 361, Folder 4 dated 6-57)
- Documentación / Esquemas (2)
- Photofact Folder, Howard W. SAMS (Set 340 Folder 22-S Dated 56)
- Autor
- Modelo creado por John Kusching. Ver en "Modificar Ficha" los participantes posteriores.
- Otros modelos
-
Donde encontrará 717 modelos, 336 con imágenes y 641 con esquemas.
Ir al listado general de Gamble-Skogmo, Inc.; Minneapolis, MN