Coronado TV2-9427A
Gamble-Skogmo, Inc.; Minneapolis, MN
- País
- Estados Unidos
- Fabricante / Marca
- Gamble-Skogmo, Inc.; Minneapolis, MN
- Año
- 1957 ?
- Categoría
- Televisión (TV) o monitor
- Radiomuseum.org ID
- 311803
-
- Brand: Coronado
Haga clic en la miniatura esquemática para solicitarlo como documento gratuito.
- Numero de valvulas
- 21
- Válvulas
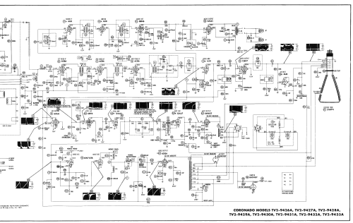
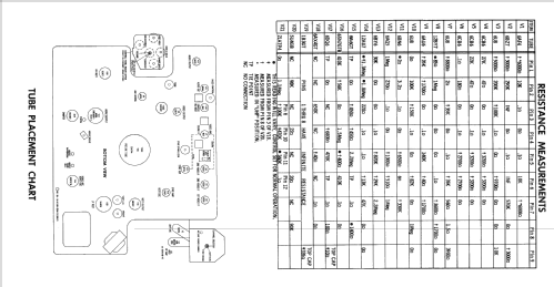
- 6AF4A 6BZ7 6U8 6CB6 6CB6 6CB6 6U8 12BY7 6AU6 6U8 6BN6 6AQ5 6BY6 12AU7 6W6GT 6SN7GTB 6DQ6 6AX4GT 1B3GT 5U4G 21ATP4
- Principio principal
- Superheterodino con paso previo de RF
- Gama de ondas
- Bandas de recepción puestas en notas.
- Tensión de funcionamiento
- Red: Corriente alterna (CA, Inglés = AC) / 60 Hz, 117V = 110 -120 Volt
- Altavoz
- Altavoz dinámico (de imán permanente)
- Material
- Madera
- de Radiomuseum.org
- Modelo: Coronado TV2-9427A - Gamble-Skogmo, Inc.;
- Forma
- Consola baja, patas más cortas del 50%.
- Anotaciones
-
Coronado model TV2-9427A is a 21" b/w TV with US standard VHF tuner channels 2 thru 13, and 14 thru 83 UHF. Equipped with VHF-UHF tuner 25A1146 and picture tube 21ATP4.
- Documentación / Esquemas (1)
- Photofact Folder, Howard W. SAMS (Set 364 Folder 2 dated 7-57)
- Autor
- Modelo creado por Dirk Taekels. Ver en "Modificar Ficha" los participantes posteriores.
- Otros modelos
-
Donde encontrará 717 modelos, 336 con imágenes y 641 con esquemas.
Ir al listado general de Gamble-Skogmo, Inc.; Minneapolis, MN