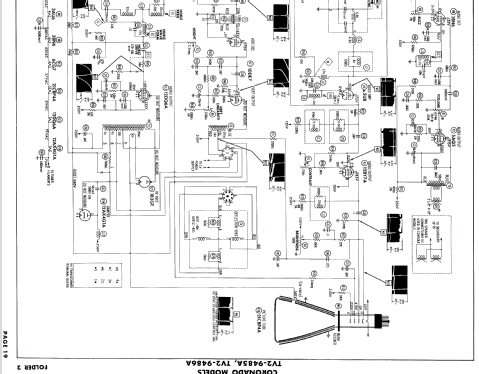
Coronado TV2-9485A
Gamble-Skogmo, Inc.; Minneapolis, MN
- Produttore / Marca
 - Gamble-Skogmo, Inc.; Minneapolis, MN
 
- Anno
 - 1958 ?
 
- Categoria
 - Televisore (TV) / Monitor
 
- Radiomuseum.org ID
 - 183910
 
- 
        
- Brand: Coronado
 
 
Clicca sulla miniatura dello schema per richiederlo come documento gratuito.
- Numero di tubi
 - 18
 
- Valvole
 - 2BN4 5CG8 5U8 5U8 3BN6 5AQ5 3BZ6 3BZ6 3CB6 12BY7A 3BY6 10DE7 3AU6 6CG7 12DQ6A 1B3GT 12AX4GTA 21CBP4A
 
- Principio generale
 - Supereterodina con stadio RF
 
- Gamme d'onda
 - VHF/UHF (ved. i dettagli nelle note)
 
- Tensioni di funzionamento
 - Alimentazione a corrente alternata (CA) / 60 Hz, 117V = 110 -120 Volt
 
- Altoparlante
 - 2 altoparlanti
 
- Radiomuseum.org
 - Modello: Coronado TV2-9485A - Gamble-Skogmo, Inc.;
 
- Annotazioni
 - 
        
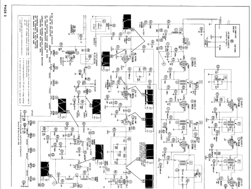
Coronado model TV2-9485A is a 21" b/w TV with US standard VHF tuner channels 2 thru 13. Equipped with chassis a VHF tuner and picture tube 21CBP4A.
 
- Letteratura / Schemi (1)
 - Photofact Folder, Howard W. SAMS (Date 6-58, Set 404, Folder 2)
 
- Letteratura / Schemi (2)
 - Photofact Folder, Howard W. SAMS (Set 380 Folder 12-S dated 12-57)
 
- Autore
 - Modello inviato da Egon Penker. Utilizzare "Proponi modifica" per inviare ulteriori dati.
 
- Altri modelli
 - 
        
In questo link sono elencati 717 modelli, di cui 336 con immagini e 641 con schemi.
Elenco delle radio e altri apparecchi della Gamble-Skogmo, Inc.; Minneapolis, MN