AM FM Television Receiver 10TZ Series 10TZ3
Garod Radio Corp.; Brooklyn (NY)
- Produttore / Marca
- Garod Radio Corp.; Brooklyn (NY)
- Anno
- 1949 ?
- Categoria
- Ricevitore TV e radio (ev. con magnetofono, giradischi, registratore a cassette ecc.)
- Radiomuseum.org ID
- 234531
Clicca sulla miniatura dello schema per richiederlo come documento gratuito.
- Numero di tubi
- 29
- Valvole
- 6J6 6J6 6J6 6BA6 6BA6 6BA6 6BA6 6AL5 6AC7 6SN7GT 6BA6 6AU6 6AU6 6T8 6K6GT 6SN7GT 6AR5 6SN7GT 6AL5 6SN7GT 6BG6G 5V4G 1B3GT 6BA6 12AT7 6BE6 5U4G 5Y3GT 10BP4 or 10FP4
- Principio generale
- Supereterodina (in generale)
- Gamme d'onda
- Gamme d'onda nelle note.
- Tensioni di funzionamento
- Alimentazione a corrente alternata (CA) / 105-125 Volt
- Altoparlante
- AP magnetodinamico (magnete permanente e bobina mobile) / Ø 6 inch = 15.2 cm
- Materiali
- Mobile in legno
- Radiomuseum.org
- Modello: AM FM Television Receiver 10TZ Series 10TZ3 - Garod Radio Corp.; Brooklyn NY
- Forma
- Soprammobile con qualsiasi forma (non saputo).
- Annotazioni
-
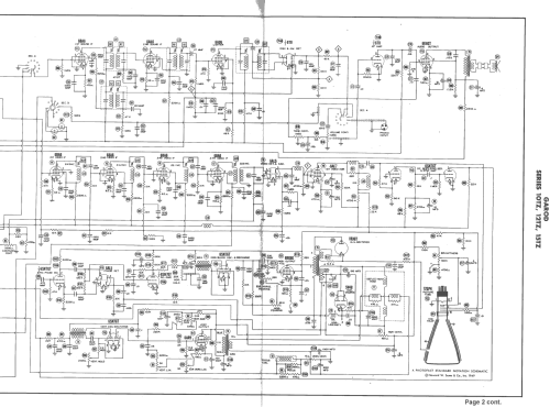
AM FM Television Receiver 10TZ3. Tuning ranges: AM 540 - 1650 kc, FM 88 - 108 Mc, TV channels 2 thru 13.
This set is equipped with a 10" picture tube, different types are possible.
- Bibliografia
- Photofact Folder, Howard W. SAMS (Date 4/49, Set 60, Folder 12 (498-12))
- Letteratura / Schemi (1)
- Rider's TV, 3-1
- Autore
- Modello inviato da Friedrich Weber † 12.09.2014. Utilizzare "Proponi modifica" per inviare ulteriori dati.
- Altri modelli
-
In questo link sono elencati 380 modelli, di cui 100 con immagini e 345 con schemi.
Elenco delle radio e altri apparecchi della Garod Radio Corp.; Brooklyn (NY)