BP37 (BP 37
Garod Radio Corp.; Brooklyn (NY)
- Produttore / Marca
- Garod Radio Corp.; Brooklyn (NY)
- Anno
- 1942 ??
- Categoria
- Radio (o sintonizzatore del dopoguerra WW2)
- Radiomuseum.org ID
- 41761
Clicca sulla miniatura dello schema per richiederlo come documento gratuito.
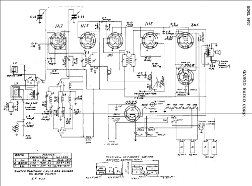
- Numero di tubi
- 7
- Principio generale
- Supereterodina (in generale); ZF/IF 455 kHz
- Gamme d'onda
- Onde medie (OM), lunghe (OL) e corte (OC).
- Tensioni di funzionamento
- Rete / Batterie (ogni tipo) / 117; 90 & 9 Volt
- Altoparlante
- AP magnetodinamico (magnete permanente e bobina mobile)
- Radiomuseum.org
- Modello: BP37 (BP 37 - Garod Radio Corp.; Brooklyn NY
- Annotazioni
- Line supply is AC/DC. Built in loop antenna.
- Fonte esterna dei dati
- Ernst Erb
- Riferimenti schemi
- Rider's Perpetual, Volume 13 = 1942 and before
- Altri modelli
-
In questo link sono elencati 380 modelli, di cui 100 con immagini e 345 con schemi.
Elenco delle radio e altri apparecchi della Garod Radio Corp.; Brooklyn (NY)