RS2500N
Gelhard GmbH & Co.KG; Dortmund
- Hersteller / Marke
- Gelhard GmbH & Co.KG; Dortmund
- Jahr
- 1978
- Kategorie
- Autoradio, evtl. kombiniert mit Tonspeichergerät
- Radiomuseum.org ID
- 141483
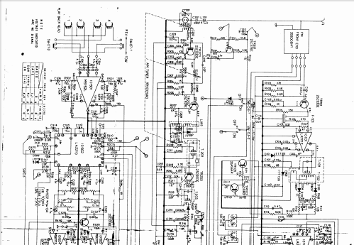
Klicken Sie auf den Schaltplanausschnitt, um diesen kostenlos als Dokument anzufordern.
- Anzahl Transistoren
- 8
- Halbleiter
- Hauptprinzip
- Superhet allgemein
- Wellenbereiche
- Mittelwelle und UKW (FM).
- Spezialitäten
- Kassetten-Recorder oder -Spieler
- Betriebsart / Volt
- AKKU-Speisung (für alles, z.B. bei Autoradios und Amateurgeräten) / 12 Volt
- Lautsprecher
- - Dieses Modell benötigt externe(n) Lautsprecher.
- Belastbarkeit / Leistung
- 16 W (Qualität unbekannt)
- Material
- Metallausführung
Die GFGF Zeitschrift Funkgeschichte bringt interessante Artikel zu Radios, Funkwesen und Medien. Bei Radiomuseum.org finden Sie die vollständigen Hefte früherer Ausgaben als PDF zum Download.
- von Radiomuseum.org
- Modell: RS2500N - Gelhard GmbH & Co.KG; Dortmund
- Form
- Chassis - Einbaugerät
- Abmessungen (BHT)
- 178 x 50 x 158 mm / 7 x 2 x 6.2 inch
- Bemerkung
- ICs: 8
AM/FM-Stereo-Radio-Cassetten-Einbau-Kombination mit Rückspielautomatik und Rauschunterdrückung (ERU).
Frequenzbereich 40-12000 Hz, Impedanz 4-8 Ohm, Minus an Masse.
- Datenherkunft
- -- Original prospect or advert
- Autor
- Modellseite von Franz Scharner angelegt. Siehe bei "Änderungsvorschlag" für weitere Mitarbeit.
- Weitere Modelle
-
Hier finden Sie 29 Modelle, davon 29 mit Bildern und 3 mit Schaltbildern.
Alle gelisteten Radios usw. von Gelhard GmbH & Co.KG; Dortmund