21T37 Ch= "N" Line
General Electric Co. (GE); Bridgeport CT, Syracuse NY
- Pays
- Etats-Unis
- Fabricant / Marque
- General Electric Co. (GE); Bridgeport CT, Syracuse NY
- Année
- 1955 ?
- Catégorie
- Récepteur de télévision ou moniteur
- Radiomuseum.org ID
- 129729
-
- Brand: Musaphonic
Cliquez sur la vignette du schéma pour le demander en tant que document gratuit.
- No. de tubes
- 15
- Lampes / Tubes
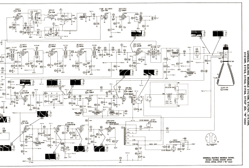
- 3BC5 5X8 3AU6 3AU6 3AU6 6AU8 5U8 12BH7 6SN7GTB or 7AU7 12BQ6GA 1X2A 12AX4GT 5T8 5AQ5 21YP4A
- Principe général
- Super hétérodyne avec étage HF
- Gammes d'ondes
- VHF/UHF (voir details en note)
- Tension / type courant
- Alimentation Courant Alternatif (CA) / 60 Hz, 117V = 110 -120 Volt
- Haut-parleur
- HP dynamique à aimant permanent + bobine mobile / Ø 4 inch = 10.2 cm
- Puissance de sortie
- 0.9 W (1.5 W max.)
- Matière
- Boitier en bois
- De Radiomuseum.org
- Modèle: 21T37 Ch= "N" Line - General Electric Co. GE;
- Forme
- Modèle de table profil bas (grand modèle).
- Remarques
-
The General Electric 21T37 is a 21" b/w TV with US standard VHF tuner channels 2 thru 13. Has Qty(1) Selenium Rectifier and Qty(1) Germanium Diode. Equipped with VHF tuner RJX-071/075 or RJX-076 and picture tube 21YP4A. "Pacers" series, genuine blonde Oak veneers.
- Source
- -- Original prospect or advert
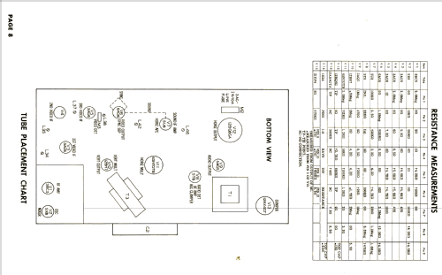
- Schémathèque (1)
- - - Manufacturers Literature (General Electric Datasheet ER-S-N55)
- Schémathèque (2)
- Photofact Folder, Howard W. SAMS (Set 297 Folder 2 dated 11-55)
- Schémathèque (3)
- Photofact Folder, Howard W. SAMS (Set 313 Folder 1 dated 4-56)
- Auteur
- Modèle crée par d'un membre de A. Voir les propositions de modification pour les contributeurs supplémentaires.
- D'autres Modèles
-
Vous pourrez trouver sous ce lien 2958 modèles d'appareils, 2173 avec des images et 2070 avec des schémas.
Tous les appareils de General Electric Co. (GE); Bridgeport CT, Syracuse NY