- País
- Estados Unidos
- Fabricante / Marca
- General Electric Co. (GE); Bridgeport CT, Syracuse NY
- Año
- 1946
- Categoría
- Radio - o Sintonizador pasado WW2
- Radiomuseum.org ID
- 41884
-
- Brand: Musaphonic
Haga clic en la miniatura esquemática para solicitarlo como documento gratuito.
- Numero de valvulas
- 6
- Principio principal
- Superheterodino con paso previo de RF; ZF/IF 455 kHz; 2 Etapas de AF
- Gama de ondas
- OM (onda media) solamente
- Tensión de funcionamiento
- Red: Aparato AC/DC. / 105-125 Volt
- Altavoz
- Altavoz dinámico (de imán permanente) / Ø 5.25 inch = 13.3 cm
- Material
- Madera
- de Radiomuseum.org
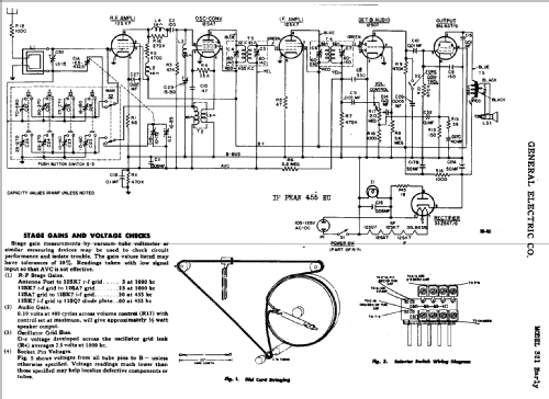
- Modelo: 321 [early] - General Electric Co. GE;
- Forma
- Sobremesa de botonera.
- Ancho, altura, profundidad
- 350 x 235 x 200 mm / 13.8 x 9.3 x 7.9 inch
- Anotaciones
- Cycles-Watts: 25/50/60 40. Built in loop antenna. See also Sams photofact set 3 folder 463-26 date 8-46.
- Ext. procedencia de los datos
- Ernst Erb
- Procedencia de los datos
- Collector's Guide to Antique Radios 4. Edition
- Referencia esquema
- Rider's Perpetual, Volume 15 = 1947 and before
- Documentación / Esquemas (1)
- Collector's Guide to Antique Radios (6th edition)
- Documentación / Esquemas (2)
- Radio Retailing (Radio & Television R.) (January 1946 page 35. April 1946 page 11.)
- Otros modelos
-
Donde encontrará 2962 modelos, 2174 con imágenes y 2074 con esquemas.
Ir al listado general de General Electric Co. (GE); Bridgeport CT, Syracuse NY
Colecciones
El modelo 321 es parte de las colecciones de los siguientes miembros.