- Land
- USA
- Hersteller / Marke
- General Electric Co. (GE); Bridgeport CT, Syracuse NY
- Jahr
- 1949 ?
- Kategorie
- Rundfunkempfänger (Radio - oder Tuner nach WW2)
- Radiomuseum.org ID
- 41890
-
- Marke: Musaphonic
Klicken Sie auf den Schaltplanausschnitt, um diesen kostenlos als Dokument anzufordern.
- Anzahl Röhren
- 8
- Hauptprinzip
- Superhet allgemein; ZF/IF 455/10700 kHz
- Wellenbereiche
- Mittelwelle und UKW (FM).
- Spezialitäten
- Plattenspieler (oder Wechsler)
- Betriebsart / Volt
- Wechselstromspeisung / 105 - 125 Volt
- Lautsprecher
- Dynamischer LS, keine Erregerspule (permanentdynamisch) / Ø 12 inch = 30.5 cm
- Belastbarkeit / Leistung
- 3 W (Qualität unbekannt)
- Material
- Gerät mit Holzgehäuse
- von Radiomuseum.org
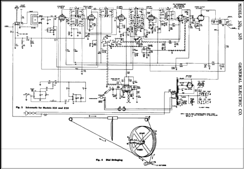
- Modell: 328 - General Electric Co. GE;
- Form
- Standgerät auf niedrigen Beinen (Beine < 50 % der Gesamthöhe).
- Abmessungen (BHT)
- 31.6 x 32.5 x 16.4 inch / 803 x 826 x 417 mm
- Bemerkung
- Color=Blonde
- Datenherkunft extern
- Ernst Erb
- Datenherkunft
- Collector's Guide to Antique Radios 4. Edition
- Schaltungsnachweis
- Rider's Perpetual, Volume 19 = 1949 and before
- Literaturnachweis
- The Radio Collector's Directory and Price Guide 1921 - 1965
- Literatur/Schema (1)
- Photofact Folder, Howard W. SAMS (Set #64 Folder 7 dated 6-49)
- Weitere Modelle
-
Hier finden Sie 2962 Modelle, davon 2174 mit Bildern und 2074 mit Schaltbildern.
Alle gelisteten Radios usw. von General Electric Co. (GE); Bridgeport CT, Syracuse NY