- Pays
- Etats-Unis
- Fabricant / Marque
- General Electric Co. (GE); Bridgeport CT, Syracuse NY
- Année
- 1953 ?
- Catégorie
- Radio - ou tuner d'après la guerre 1939-45
- Radiomuseum.org ID
- 364183
-
- Brand: Musaphonic
Cliquez sur la vignette du schéma pour le demander en tant que document gratuit.
- No. de tubes
- 5
- Principe général
- Super hétérodyne (en général); FI/IF 455 kHz
- Gammes d'ondes
- PO uniquement
- Tension / type courant
- Appareil tous courants (CA / CC) / AC/DC 117=110-120 Volt
- Haut-parleur
- HP dynamique à aimant permanent + bobine mobile / Ø 4 inch = 10.2 cm
- Matière
- Plastique moderne (pas de bakélite, ni de catalin)
- De Radiomuseum.org
- Modèle: 416F - General Electric Co. GE;
- Forme
- Modèle de table générique
- Remarques
-
General Electric model 416F is an AC/DC operated superheterodyne receiver.
- Schémathèque (2)
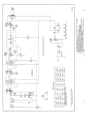
- Photofact Folder, Howard W. SAMS (Set 211, folder 6, dated 8-53)
- Auteur
- Modèle crée par Dirk Taekels. Voir les propositions de modification pour les contributeurs supplémentaires.
- D'autres Modèles
-
Vous pourrez trouver sous ce lien 2962 modèles d'appareils, 2174 avec des images et 2074 avec des schémas.
Tous les appareils de General Electric Co. (GE); Bridgeport CT, Syracuse NY