- Country
- United States of America (USA)
- Manufacturer / Brand
- General Electric Co. (GE); Bridgeport CT, Syracuse NY
- Year
- 1963/1964
- Category
- Broadcast Receiver - or past WW2 Tuner
- Radiomuseum.org ID
- 136026
-
- Brand: Musaphonic
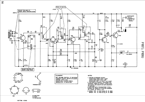
Click on the schematic thumbnail to request the schematic as a free document.
- Number of Transistors
- 5
- Main principle
- Superheterodyne (common); ZF/IF 455 kHz; 2 AF stage(s)
- Tuned circuits
- 5 AM circuit(s)
- Wave bands
- Broadcast only (MW).
- Power type and voltage
- Dry Batteries / 9 Volt
- Loudspeaker
- Magnetic loudspeaker (reed) of high quality (free mooving - only possible past 1931). / Ø 3.5 inch = 8.9 cm
- Material
- Plastics (no bakelite or catalin)
- from Radiomuseum.org
- Model: P807J - General Electric Co. GE;
- Shape
- Very small Portable or Pocket-Set (Handheld) < 8 inch.
- Dimensions (WHD)
- 7 x 4.5 x 2.5 inch / 178 x 114 x 64 mm
- Notes
-
The General Electric P807J is a battery operated portable AM receiver. The AM band frequency tuning range is 540 to 1620kHz. Has earphone jack in back that disconnects the speaker for private listening. 9 V block battery Eveready No.266 required.
The P807J is part of the following family of models:
Model Other Models in Family Cabinet Color P755A None Gray P805A (Early) P805A (Late) White P806A (Early) P806A (Late) Blue P807A P807B, C, E, G, H, I, J, S, T Black P808A P808B, C, E, G, H, J, S, T White P809B P809C, E Green Has high impedance speaker with reed suspended between pole pieces, drives paper cone with a stylus, and is directly driven by a single ended collector, without an audio output transformer. One of several contemporary GE transistor radio models do employ this kind of speaker which was originally used in the 1920's because of it's high efficiency and high impedance.
- Net weight (2.2 lb = 1 kg)
- 0.580 kg / 1 lb 4.4 oz (1.278 lb)
- Mentioned in
- Bunis, Transistor Radios, 2nd ed., p. 97, 1996
- Literature/Schematics (2)
- General Electric Service Notes (General Electric Radio Service Guide Volume V pages 56, 57)
- Literature/Schematics (3)
- Photofact TSM Transistor Radio Series SAMS (TSM-42, pages 38 to 41, dated August 1964)
- Author
- Model page created by a member from A. See "Data change" for further contributors.
- Other Models
-
Here you find 2962 models, 2174 with images and 2074 with schematics for wireless sets etc. In French: TSF for Télégraphie sans fil.
All listed radios etc. from General Electric Co. (GE); Bridgeport CT, Syracuse NY
Collections
The model P807J is part of the collections of the following members.