- Land
- USA
- Hersteller / Marke
- General Electric Co. (GE); Bridgeport CT, Syracuse NY
- Jahr
- 1959
- Kategorie
- Rundfunkempfänger (Radio - oder Tuner nach WW2)
- Radiomuseum.org ID
- 154783
-
- Marke: Musaphonic
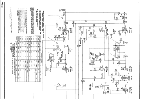
Klicken Sie auf den Schaltplanausschnitt, um diesen kostenlos als Dokument anzufordern.
- Anzahl Röhren
- 11
- Hauptprinzip
- Super mit HF-Vorstufe; ZF/IF 455/10700 kHz
- Wellenbereiche
- Mittelwelle und UKW (FM).
- Betriebsart / Volt
- Wechselstromspeisung / 105 - 125 Volt
- Lautsprecher
- - Für Kopfhörer oder NF-Verstärker
- Material
- Metallausführung
- von Radiomuseum.org
- Modell: FA-10 - General Electric Co. GE;
- Form
- Regalgerät wie HiFi-Komponente für Bücherwand.
- Bemerkung
- The General Electric Model FA-10 is an AC operated 11 Tube AM-FM Tuner.
- Literatur/Schema (1)
- Photofact Folder, Howard W. SAMS (Date 10-59, Set 461, Folder 7)
- Autor
- Modellseite von Egon Penker angelegt. Siehe bei "Änderungsvorschlag" für weitere Mitarbeit.
- Weitere Modelle
-
Hier finden Sie 2958 Modelle, davon 2173 mit Bildern und 2070 mit Schaltbildern.
Alle gelisteten Radios usw. von General Electric Co. (GE); Bridgeport CT, Syracuse NY