- País
- Estados Unidos
- Fabricante / Marca
- General Electric Co. (GE); Bridgeport CT, Syracuse NY
- Año
- 1962 ?
- Categoría
- Registrador o reproductor de sonido o visual
- Radiomuseum.org ID
- 89851
-
- Brand: Musaphonic
Haga clic en la miniatura esquemática para solicitarlo como documento gratuito.
- Numero de valvulas
- 11
- Principio principal
- Amplificador de Audio
- Especialidades
- Tocadiscos + Grabadora de cinta
- Tensión de funcionamiento
- Red: Corriente alterna (CA, Inglés = AC) / 117 Volt
- Altavoz
- 6 Altavoces
- de Radiomuseum.org
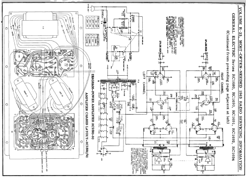
- Modelo: RC1694AR - General Electric Co. GE;
- Referencia esquema
- Beitman Radio Diagrams Vol. 23, 1963
- Autor
- Modelo creado por Egon Penker. Ver en "Modificar Ficha" los participantes posteriores.
- Otros modelos
-
Donde encontrará 2958 modelos, 2173 con imágenes y 2070 con esquemas.
Ir al listado general de General Electric Co. (GE); Bridgeport CT, Syracuse NY