- Country
- United States of America (USA)
- Manufacturer / Brand
- General Electric Co. (GE); Bridgeport CT, Syracuse NY
- Year
- 1964 ?
- Category
- Broadcast Receiver - or past WW2 Tuner
- Radiomuseum.org ID
- 92663
-
- Brand: Musaphonic
Click on the schematic thumbnail to request the schematic as a free document.
- Number of Tubes
- 7
- Main principle
- Superheterodyne (common); ZF/IF 455/10700 kHz
- Wave bands
- Broadcast (BC) and FM or UHF.
- Power type and voltage
- Alternating Current supply (AC) / 120 Volt
- Loudspeaker
- - For headphones or amp.
- from Radiomuseum.org
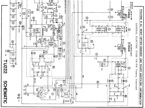
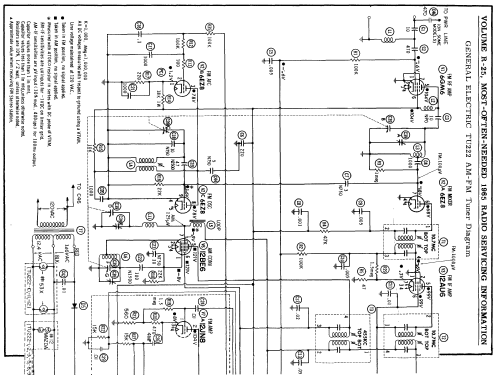
- Model: TU222-11 - General Electric Co. GE;
- Notes
- Chassis TU222 is an AM/FM-Tuner.
- Circuit diagram reference
- Beitman Radio Diagrams Vol. 25, 1965
- Author
- Model page created by Egon Penker. See "Data change" for further contributors.
- Other Models
-
Here you find 2958 models, 2173 with images and 2070 with schematics for wireless sets etc. In French: TSF for Télégraphie sans fil.
All listed radios etc. from General Electric Co. (GE); Bridgeport CT, Syracuse NY