- País
- España
- Fabricante / Marca
- General Eléctrica Española (GEE); Madrid
- Año
- 1967
- Categoría
- Radio - o Sintonizador pasado WW2
- Radiomuseum.org ID
- 290416
Haga clic en la miniatura esquemática para solicitarlo como documento gratuito.
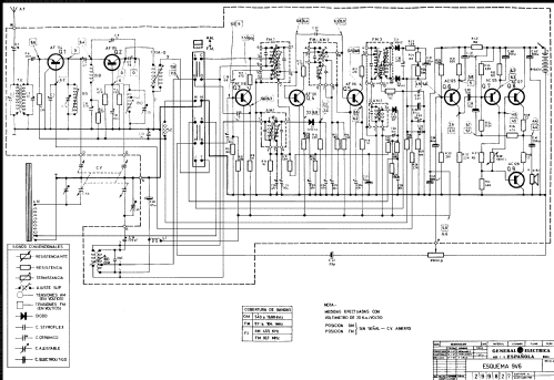
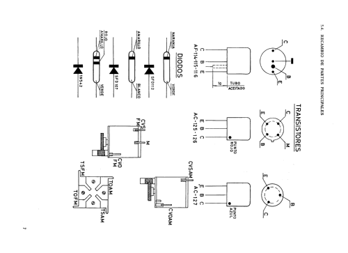
- Numero de transistores
- 9
- Principio principal
- Superheterodino en general; ZF/IF 455/10700 kHz; 3 Etapas de AF
- Gama de ondas
- OM y FM
- Tensión de funcionamiento
- Pilas / 6 x 1,5 Volt
- Altavoz
- Altavoz dinámico (de imán permanente) / Ø 9 cm = 3.5 inch
- Potencia de salida
- 0.4 W (undistorted)
- Material
- Plástico moderno (Nunca bakelita o catalina)
- de Radiomuseum.org
- Modelo: 9V6 - General Eléctrica Española GEE
- Forma
- Portátil > 20 cm (sin la necesidad de una red)
- Ancho, altura, profundidad
- 230 x 130 x 70 mm / 9.1 x 5.1 x 2.8 inch
- Anotaciones
-
OM: 540 - 1.600 kHz.
FM: 87 - 104 MHz.
- Peso neto
- 1.250 kg / 2 lb 12.1 oz (2.753 lb)
- Documentación / Esquemas (1)
- -- Original-techn. papers.
- Autor
- Modelo creado por Miguel Bravo-Cos. Ver en "Modificar Ficha" los participantes posteriores.
- Otros modelos
-
Donde encontrará 72 modelos, 31 con imágenes y 67 con esquemas.
Ir al listado general de General Eléctrica Española (GEE); Madrid